Навесы из поликарбоната своими руками: фото, схема монтажа, видео
Умение строить навес из поликарбоната своими руками поможет практично и со вкусом благоустроить дачный участок или территорию частного дома, не прибегая к большим финансовым затратам.
Содержание
Кратко о том, что такое поликарбонат
Навесы – какие бывают и где используются
Процесс монтажа навеса
- 3.1 Подготовка площади – заливка бетона, крепление листов
- 3.2 Крепим листы
Видео — как сделать навес из поликарбоната
Кратко о том, что такое поликарбонат
Поликарбонат, а иными словами полимерный пластик, бывает, как разноцветный, так и прозрачный. Разделяют два вида поликарбонатных плит – монолитные и сотовые (ячеистые). Монолит – это цельный лист, по весу более тяжелый, чем сотовый, используется в основном для массивных крыш и больших территорий. Для навесов и козырьков отлично подходит сотовый поликарбонат. Он более легкий, благодаря пустотам в его структуре, а также легко сгибается, что удобно в строительстве арочных конструкций.
Общие свойства поликарбоната
Поликарбонат хорошо гнется, он очень прочный и непробиваем. Чтобы его разрушить нужно изрядно попотеть.
Благодаря пластичности можно создавать настоящие геометрические шедевры.
Защищает от ультрафиолета, сохраняет тепло.
Мало весит, потому очень удобен в монтаже. Вы вполне справитесь самостоятельно, не используя вспомогательную технику.
Важно: когда будете покупать листы, то уточните нанес ли производитель защитный слой от УФ. Поликарбонат защищает от ультрафиолетового излучения, но сам от него разрушается, поэтому важно наличие защитного слоя.
Навесы – какие бывают и где используются
Вы можете сделать любое перекрытие, начиная от козырька из поликарбоната и заканчивая целым павильоном под накрытием. Среди огородников востребованы теплицы, а для любителей роскоши у себя дома – бассейны, террасы и мини-гаражи для авто под навесом.
Многообразие видов:
Козырек над крыльцом
Соорудив навес над входом в дом, вы защитите дверь и площадку перед ней от палящего солнца и дождя.
Для такого навеса хорошо подойдет сотовый поликарбонат, вы сможете придать оригинальную форму навесу и подобрать цвет, который будет гармонировать с общей цветовой гаммой дома.
Навес для бассейна
Тут можно сделать по-разному – полностью закрытое пространство со стенами и перекрытием или же только навес. Если бассейн с подогревом, то хорошо сделать закрытую конструкцию, тогда вы сможете плавать в нем даже зимой. Летом поликарбонатные листы защитят вас от вредного солнечного изучения, а воду в бассейне от листьев и мусора.
Навес для автомобиля
Хороший хозяин будет рад построить навес из поликарбоната для своего авто. Можно сделать оригинальную куполообразную форму, арочную, прямоугольную, косую – на любой вкус. Такой навес защитит автомобиль от солнечного перегрева или от дождя, когда вам некогда загонять машину в гараж. Это может быть отдельное строение, но чаще такую конструкцию пристраивают к гаражу – практично, и выглядит эффектно. Навес для автомобиля может служить дополнительной «стоянкой», когда к вам приезжают гости.
Навес для беседки или террасы
Беседка или терраса – это самое приятное место во дворе в любую пору года, а жаркими летними днями просто незаменимое. Навес из поликарбоната обеспечит тень и защитит от проникновения УФ. Вы сможете прекрасно отдохнуть с семьей или друзьями. Разнообразные цвета полупрозрачных плит помогут создать интересное освещение под накрытием – уютно и современно.
Козырек над лоджией
Если ваша дача или частный дом имеют два этажа, то, наверняка, там есть балкон или лоджия. Раньше их стеклили, но поликарбонат все больше вытесняет остекление. Монтаж стекла в разы сложнее и это небезопасно. Сделав козырек из поликарбоната, вы защитите балкон от намокания, сможете хранить продукты или выращивать цветы. Кроме того, поликарбонат имеет специальное покрытие, которое отталкивает воду и на козырьке не будет некрасивых следов от потеков после дождя.
Как видите, строительство навесов из поликарбоната очень распространенно, потому что практично – этот материал почти заменил стекло, дерево и металл.
Процесс монтажа навеса
Монтаж навеса из поликарбоната задача не сложная. Главное правильно составить проект и подобрать нужную толщину поликарбонатного листа. Но обо всем по порядку.
Важно: перед выбором толщины плиты, рассчитайте радиус изгиба, а также ветровую и снеговую нагрузку на кровлю. Помните, что нельзя перегибать лист, придерживайтесь норм, указанных на упаковке.
Для автомобильной парковки, бассейна или других масштабных территорий – толщина листа должна быть 16 мм.
Для крыш, перегородок, козырьков и навесов рекомендуют использовать листы 6-8 мм.
Производят листы толщиной 10 мм, но они больше хороши в качестве вертикальных ограждений для шумоизоляции, а листы 4 мм – для монтажа теплицы.
Когда вы определились с толщиной и цветом поликарбоната, его нужно транспортировать. Нельзя распаковывать заводскую упаковку до момента монтажа, чтобы конденсат не испортил материал. Далее нужно подготовить территорию для сборки навеса.
Подготовка площади – заливка бетона, крепление листов
Прежде чем приступить к заливке бетона, сделайте разметку площади и выкопайте ямки для закладных деталей, к которым будут прикручены стойки каркаса. Ямки должны быть 50-150 см глубиной, смотря какая планируется высота навеса. Дальше пошагово:
- Создаете котлован для песчаной или щебневой подушки. Для этого стягиваете часть грунта со всей площади, 15-20 см.
- Засыпаете в котлован песок или щебень и хорошенько утрамбовываете.
- Для того, чтобы под навесом не накапливалась вода, сделайте дренаж из труб по периметру площадки. Это особенно важно, если вы делаете автомобильный навес, ведь иногда там нужно будет мыть авто.
- Заливаете все это бетоном, предварительно соорудив опалубку. Заливать нужно в два слоя. Первый слой 5 см, и пока он не застыл покрываете его арматурной сеткой, затем доливаете второй слой бетона.
- На третий день уберите опалубку, а через месяц уже можно устанавливать каркас для навеса.

Важно: обычно достаточно 10 см толщины бетонной стяжки, но если планируется монтаж навеса из поликарбоната для автомобиля, то лучше если толщина будет больше. Стоит учесть то, что грунт под бетонной стяжкой должен быть стабильным, иначе через пару лет бетон растрескается. Лучше вместе бетонной стяжки выложить площадь тротуарной плиткой.
Когда площадь готова, можно приступать к монтажу каркаса и опорных стоек. Для этого можно использовать дерево, металл или профиль. Специалисты рекомендуют использовать металлическую арматуру. Но если вы предпочитаете деревянный каркас, то будьте готовы к тому, что за ним нужен соответствующий уход в виду того, что дерево ссыхается со временем.
Как сделать навес из поликарбоната – крепим листы
Чтобы прикрепить поликарбонатные листы на несущую конструкцию вам понадобится:
саморезы с термошайбами
соединительный профиль
лента для герметизации торцов
герметик
Когда будете сверлить отверстие для самореза, обязательно делайте диаметр на 3 мм больше, чем саморез или термошайба.
Поликарбонат расширяется при высокой температуре, поэтому вся конструкция не должна плотно прилегать, чтобы листам не было «тесно». С осторожностью отнеситесь и к креплению листа к самому каркасу – не пережимайте крепежи, чтобы лист не лопнул.
Важно: отверстия нужно сверлить, исключительно, между ребрами жесткости, чтобы не повредить материал.
С помощью соединительного профиля, фиксируете листы между собой. Следите за тем, чтобы зазор между плитами был не меньше 5 мм, а вводить край плиты в профиль нужно на 20 мм, не меньше.
Затем защищаем торцы от насекомых, пыли, влаги и конденсата. Верх герметизируем сплошной лентой, а низ перфорированной, тогда поликарбонатные плиты прослужат вам достаточно долго.
Теперь вы знаете как сделать навес из поликарбоната своими руками. С помощью советов из данной статьи вы сможете соорудить прекрасную мини-автостоянку, беседку, или террасу у себя на даче. А возможность играть с цветами и формами, позволит максимально приблизить внешний вид навеса из поликарбоната к общему дизайну вашего дома.
Видео:
Как сделать навес из поликарбоната
Добавить комментарий
Навес из поликарбоната своими руками
При обустройстве загородного участка своими руками почти каждый пытается организовать и обустроить место отдыха на свежем воздухе. Для решения такой задачи существует множество вариантов, один из которых — построить навес из поликарбоната своими руками. Чертежи навесов, схемы могут быть самые разные. Поликарбонат — современный материал, который имеет большой выбор цветов. Благодаря этому конструкции из поликарбоната гармонично вписываются в ландшафтный дизайн участка.
Навес из поликарбоната можно установить как для защиты автомобиля от погодных условий, так и для создания беседки. Навесы из поликарбоната также многие делают на крыльце дома над входной дверью. Это создает отличную защиту от дождя, града и прочих осадков.
Также козырек из поликарбоната отлично дополняет фасад дома. Навесы из поликарбоната очень легко установить своими руками, причем они могут быть самого разного размера и формы.
Преимущества навесов из поликарбоната
За счет своих уникальных свойств поликарбонат очень хорошо зарекомендовал себя как один из самых лучших материалов для создания прозрачных кровель. Этот материал во многом превосходит стекло и пластик. По краям он имеет ребра жесткости, за счет чего листы можно сгибать, что позволяет создавать самые разнообразные конструкции. Упругость и гибкость материала позволяют создавать практически все виды кровли.
Листы могут быть как прозрачными, так и иметь самые разнообразные цвета и оттенки. Прозрачные навесы дают прекрасное освещение, а навесы с оттенками позволяют получить защиту от солнечных лучей и создать приглушенный свет.
С помощью этого материала можно создать свою уникальную конструкцию. Если имеются трудности в выборе цвета, то лучше приобрести листы зеленого оттенка.
Они отлично вписываются практически на любом загородном участке. Для накрытия бассейнов обычно используют синие оттенки. Если планируется выращивать живые растения под конструкцией, то лучше выбрать прозрачные листы.
Подготовка к созданию навеса из поликарбоната своими руками
В первую очередь следует выбрать и спланировать площадку под строительство. Если планируется строительство навеса для автомобиля, то следует помнить, что площадка должна быть бетонной. Она должна быть способной выдерживать вес навеса и автомобиля (Рис. 1).
На рисунку 1 изображено бетонная площадка для автомобиляУчасток очищают от травы, корней деревьев, мусора и хорошенько выравнивают. Из доски высотой 20-30 см своими руками по периметру делают опалубку. На основание укладывают слой песка и гравия. Затем площадку выравнивают и трамбуют, периодически увлажняя чистой водой. После этого укладывается арматура и заливается бетонная смесь.
Чертеж навеса, выбор схемы
Прежде чем начинать строительство конструкции из поликарбоната, необходимо разработать чертеж навеса.
Если внутри навеса планируется установить мангал, то не стоит забывать о правилах пожарной безопасности. Крыша должна быть установлена на достаточной высоте. Все коммуникации следует подводить до начала строительства.
Инструменты и материалы, необходимые для создания навеса:
- Шуруповерт
- Электрический лобзик
- Электрическая дрель
- Строительный нож
- Листы поликарбоната
- Строительный уровень
- Рулетка
- Лопата
- Перфорированная и алюминиевая лента
- Профильная труба
- Гравий, цемент, песок (для создания основания)
- Профиль для поликарбоната
- Крепежи.

Технология создания навеса из поликарбоната своими руками
- Расчищается и выравнивается площадка.
- Размечается местоположение опорных стоек.
- В грунте с помощью бура (можно использовать лопату) просверливаются скважины. Их глубина должна быть не менее 50 см.
- В скважину устанавливаются столбы. Затем их выравнивают с помощью строительного уровня и заливают бетоном.
- Через 3 дня (когда раствор окончательно застынет) с помощью электросварки выполняют верхнюю обвязку.
- Выполняется крепление поперечных элементов конструкции. Сооружение начинает приобретать определенный вид. Конструкция может быть односкатной, двухскатной, арочной и горизонтальной в зависимости от выбранного проекта.
- Своими руками зачищаются и зашлифовываются все сварные швы.
- Полностью грунтуется и красится металлический каркас.
- Производится монтаж листов поликарбоната. Крепление листов к каркасу осуществляется при помощи специальных шайб и саморезов.

Более подробную информацию о навесе из поликарбоната вы сможете узнать просмотрев это видео:
Если строится навес из монолитного поликарбоната, то нет необходимости закрывать торцевые стыки. Если же используется другой материал, то стыки нужно закрыть с помощью специальных накладок или перфорированной ленты с микрофильтрами, которую используют для защиты нижних краев листов от попадания грязи, пыли и насекомых в каналы поликарбоната. К тому же перфорированная лента не допустит скопления излишней влаги внутри листа.
Верхние торцы листов закрывают алюминиевой герметизирующей лентой, а сверху монтируют торцевой профиль. Помимо хорошей герметизации, профиль придает навесу законченный вид. Если куполообразная конструкция строится из одного целого листа, то достаточно закрыть перфорированной лентой только торцы. При соблюдении технологии строительства и правильном уходе конструкция прослужит очень долго.
Чертежи навеса для автомобиля
Обустройство Автор: Аркадий СмирновЧертежи навеса для автомобиля обязательно нужны, вне зависимости от того, какими навыками в строительстве вы обладаете. Они облегчают работу, и благодаря им вы точно не упустите никакой детали. К тому же, здесь всегда производится точный расчет, что уже говорит о том, что конструкция, выстроенная в соответствии с чертежом, будет безопасна.
Правила создания чертежа
- Решить, как навес будет выглядеть внешне, привнести в него некоторые детали, которые выгодно впишут его в ландшафт;
- Экономит деньги, так как благодаря точному расчету не будет нужды закупать стройматериалы с запасом;
- Имея на руках чертеж, проще выбрать место для его размещения на дачном участке.
Вне зависимости от того, поручаете ли вы его выполнение специалисту или делаете сами, он так же выполняет и множество других задач, которые напрямую влияют на то, насколько долговечной и прочной будет конструкция.
Выверенность каждой детали очень важна, поэтому расчет всегда производится с точностью до миллиметра. И именно учет целой гаммы факторов помогает подобрать соответствующий материал, отвечающий цене и подходящий по качеству, а так же подобрать тип фундамента, высоту конструкции и некоторые другие важные моменты.
Более популярен в интернете запрос «чертеж навеса для автомобиля из поликарбоната» и это неудивительно, так как материал обладает отличным качеством, а лояльная ценовая политика делает постройку конструкции очень выгодной.
Особенности проектирования и виды навесов
Если вы хотите сделать навес для автомобиля своими руками, чертеж можно либо заказать у специалиста, либо нарисовать самому, либо же отыскать в интернете. Если самостоятельная рисовка требует определенных навыков и умений, а его покупка стоит денег и, порой немалых, то последний прием не имеет практически никаких минусов.
Мы разберем самые популярные из схем, которые представлены в интернете, чтобы вам было легче выбрать именно то, что подойдет вам. В каждом отдельном случае вы сможете взять либо размеры, данные на рисунке, либо несколько подкорректировать их под себя.
- Объемный чертеж помогает получить общий вид конструкции, из-за чего очень легко представить, каким образом она будет смотреться на участке в том или ином месте. На фото вы можете увидеть арочный тип навеса, один лист поликарбоната на котором имеет размер 5,4х3,5 м. Его можно установить как отдельно, так и рядом с домом.
- Обычная схема. Здесь так же изображен арочный навес, однако в данном случае предусмотрены дополнительные опоры у крыши. Это делает ее более прочной и способной выдержать гораздо большие нагрузки, чем в предыдущем случае. Нарисовать подходящий чертеж вы вполне можете самостоятельно, что позволит, например, поменять размер навеса с 5,5х2,5 на размеры своего двора.

- Гараж + навес. При помощи таких рисунков можно быстро сделать навесы для машины из поликарбоната. Чертежи дают хорошее представление, что если вы вдруг собираетесь зимой часто приезжать на дачу, то можно просто прикрепить листы поликарбоната к сваренному железному каркасу и спокойно оставлять там автомобиль. А уже весной такие стенки можно снять, оставив вновь навес.
- Профессиональный чертеж. Он выполняется в соответствии со строгими требованиями и нормами. К сожалению, самостоятельно вычислить по таким схемам ударопрочность, износостойкость, а так же другие важные показатели не удастся. Если вам они важны, значит, придется заказывать выполнение работы у специалиста.
- Навес-карниз. Еще одно интересное решение, позволяющее прикрепить каркас к стене жилого дома и накрыть его каким-либо легким материалом, например, тем же поликарбонатом. Но в данном случае стоит учитывать нагрузку, которую она дополнительно будет производить на стены и, как следует, на фундамент.
Стоит сказать, что такой тип навеса очень удобен, но большая его площадь все же потребует дополнительных опор.
Когда вы уже перейдете от создания чертежа непосредственно к делу, обязательно следуйте выполненной схеме. Обратите внимание, что если вы основательно подошли к расчетам, то вы сократите и время работы, затраченное на монтаж навеса для автомобиля. Относясь с ответственностью к каждому этапу, вы уже можете рассчитывать на то, что ваш навес будет прочным и долговечным, который отвечает так же и всем вашим пожеланиям.
Навес из поликарбоната своими руками для машины
Любой автовладелец желает всегда, чтобы его машина оставалась чистой, и краска на авто не выгорала под палящими лучами солнца. Для этого нужно автомобиль укрывать в гараже, и на стояке постоянно надевать на неё чехол. Недостатком гаражей является громоздкость, не всегда на участке есть место, где можно его построить, а оставлять машину без укрытия под открытым небом не рекомендуется.
Прекрасным решением проблемы будет, если возвести навес из поликарбоната своими руками для машины. Такая конструкция служит укрытием от атмосферных осадков, а также не требует много затрат на его возведение.
Почему поликарбонат?
Во-первых, это красивый материал, который практически специально создан для таких целей. Этот синтетический полимер не боится ультрафиолетовых лучей, которое излучает наше солнце вследствие чего, листы поликарбоната прекрасно подойдут на крышу навеса. Во-вторых, Работать с таким материалом достаточно просто так как листы лёгкие в своём весе, это также снижает вес всей конструкции и позволяет избавиться громоздкого фундамента под навес. Также этот материал хорошо пропускает свет, под таким навесом прекрасно все видно даже при пасмурной погоде.
Выпускают листы поликарбоната двух видов:
- монолитный;
- сотовый.
Выбор материала для каркаса
Как уже говорилось выше, поликарбонат лёгкий материал, поэтому для каркаса прекрасно подойдёт как деревянные брусья, так и профиль из металла. Каждый из них имеет свои достоинства и недостатки.
Каркас из дерева быстро возводим, по своему общему весу получается не такой тяжёлый, но для дерева необходим уход и ежегодные профилактические работы в которые входит пропитка разнообразными антисептиками. Также дерево подвергается гниению, если уход за ним не был достаточно произведён качественно. По себестоимости такой каркас выйдет дешевле, чем металл.
В другом варианте каркас из металла выигрывает. За ним не требуется дополнительный уход также это прочная конструкция, которая будет выдерживать все ветровые нагрузки. Такой каркас по себестоимости выходит дороже, но результат оправдает сам себя.
Подготовка к возведению конструкции
Если владелец дома решил самостоятельно соорудить навес из поликарбоната для авто необходимо знать несколько важных факторов. Прежде всего нужно выбрать место под будущую конструкцию. Также необходимо сразу определиться с формой конструкции, то есть, какой она будет иметь окончательный вид.
Для этого необходимо сразу для себя набросать чертежи будущего строения. Ещё можно подметить один такой момент, как обособленность, то есть каркас будет возводиться самостоятельно или он будет пристраиваться к зданию. Это вполне может быть тот самый гараж. Также требуется определиться со всеми размерами навеса, он может быть как для одной, так и для двух машин.
Также необходимо сразу приготовить весь инструмент, который потребуется для работы:
- болгарка;
- дрель;
- угольник;
- шуруповёрт;
- сварка (если каркас возводится из металла).
После уточнения всех этих нюансов можно приступать к работам по возведению.
Начальные этапы работы и изготовление каркаса
Первое что потребуется это разметка мест, где будут находиться опорные столбы для навеса. Эти места характеризуются прежде всего выбранными размерами навеса.
Рассмотрим на примере навеса площадью 5*5*2,5 м. Для начала нужно выбрать четыре угловые точки навеса. В них забиваются деревянные колья и с помощью нити проверяются диагонали. При правильной разбивке диагонали должны совпадать до сантиметра между собою. Если все сделано верно, то между колышками натягивается нить и по этой нити отмеряется 2,5 м. Это и будет место для третьей опоры.
После чего в намеченных местах выкапываются ямки глубиною на 0,5 м. Эти ямки можно сделать буром что будет намного эффективнее. Так как высота устанавливаемого навеса будет 2,5 м нам необходимо взять опоры высотою три метра и установить их в выкопанных ямках. При бетонировании опор необходимо проверять вертикальность каждой стойки чтобы не допустить перекосов. Делается это при помощи уровня или отвеса. После необходимо зафиксировать каждую стойку на время застывания бетона, подперев их вспомогательными досками. После нужно выдержать время для отвержения бетона.
Когда бетон затвердеет можно приступать к следующему этапу работ, в котором необходимо проверить совпадение всех стоек по высоте.
Для этого необходимо воспользоваться водяным уровнем и при несовпадении торцевать все опоры по самой нижней. После чего связать все стойки по контуру, говоря другими словами, сделать обвязку поверху. Для этого по верхним торцам приваривается профиль по всему периметру, что придаст конструкции жёсткость, и после чего сделать скаты навеса.
Здесь также необходимо учитывать один момент. Если крыша навеса изначально по чертежам была задумана полукруглой, то сначала необходимо на земле сварить арки и потом их сразу приваривать на стойки. После этого начинать обвязку опор.
Для крепления листов поликарбоната необходимо приварить продольные лаги, что свяжет арки между собою тем самым придаст дополнительную прочность. Когда все элементы каркаса собраны, необходимо зачистить все сварочные швы и окрасить конструкцию, чтобы избежать коррозии металла.
Крепление листов поликарбоната
На этом этапе все происходит достаточно просто. Необходимо подсчитать и закупить необходимое количество листов.
Также необходимо приобрести специальный профиль для их стыковки. По приваренным продольным лагам необходимо произвести крепление листов. Чтобы стыковать листы на торцы одевается специальный профиль, который надёжно смыкает их между собою, а также не допустит пропускания влаги. Крепление листов необходимо производить кровельными шурупами. Для каждого шурупа необходимо сначала просверлить отверстие и только потом производить вкручивание самого шурупа. Это даст эффективное прилегание листов поликарбоната к каркасу. Прикручивать листы необходимо начинать сверху листа и опускаться к нижней точке.
Таким образом, зная эти этапы сделать навес из поликарбоната своими руками для автомобиля достаточно просто.
Собрались делать навес возле дома? Тогда прочитайте эту статью — http://moypolikarbonat.ru/delaem-nadezhnyiy-naves-iz-polikarbonata/, вам пригодятся рекомендации опытных строителей.
Каждый хозяин хочет иметь возле своего дома красивую беседку, если вы интересуетесь, как построить беседку из поликарбоната своими руками, то данный материал очень вам поможет.
Читайте также и другой интересный материал:
♦ Рубрика: Навесы.на фото чертежи навеса для машины
Навес – это декоративно-защитная конструкция из металла, дерева или поликарбоната. Навес для машины из поликарбоната – является наиболее распространенным вариантом.
Каркас
Самые распространенные варианты навесов для автомобилей из полимера: с покатой крышей, выгнутой и геометрической формой различных уровней. На фото вы можете видеть навес из сотового поликарбоната.
Если вам нужен навес из полимера, то можно собрать конструкцию из готовых деталей, нанять специалистов-строителей или сделать его своими руками. Если вы решили собрать готовый навес, то чертежи будут к нему прилагаться. Если же решили строить сами, то нужно изучить соответствующие инструкции и найти чертежи конструкции, например, в том же интернете или сделать самостоятельно.
Типовой навес для автомобиля из полимера состоит из:
- арок;
- стоек;
- ферм;
- листов поликарбоната;
- крепежа.

Размеры навеса
В любом случае сначала нужно будет сделать площадку под навес. Площадка по размерам должна несколько превосходить навес. Нужно будет разметить веревкой и колышком ее размеры. Затем выкапывают яму глубиной 35-40 см. Обычно яму потом прокладывают гидроизолом, но можно этого и не делать. Яму засыпают песком и утрамбовывают. Устанавливают опалубку и бетонируют. Металлические стаканы, если Вы их планируете использовать, устанавливают до того как залить бетон. После того как залит бетон, площадку оставляют на месяц.
Если вы собираете готовый навес, то к нему должны прилагаться инструкции от изготовителя. Крепеж, как правило, поставляется тоже в комплекте, но часто покупатели предпочитают его приобретать самостоятельно. Если Вы хотите приобрести его самостоятельно, то будут нужны рекомендации от изготовителя, желательно в письменном виде. Иначе гарантия потом будет недействительна. На фото можете увидеть чертежи навесов для авто.
Сборка конструкции состоит из монтажа частей, подъеме некоторых из них в вертикальное положение и скреплении.
Если навес делается своими руками, то нужно учитывать нагрузку на конструкцию, связанную с атмосферными явлениями, толщину полимера, площадку. Нужно выбрать форму, размер конструкции, если будете делать павильон полностью самостоятельно, то нужно продумать дизайн. При покупке готового навеса нужно знать, что размер конструкции обычно указывают по крыше. Крыша должна выступать за края арки максимально на 80см.
Рекомендации для самостоятельного изготовления навесов
Прежде чем делать своими руками навес нужно сделать проект, эскиз или чертеж будущей конструкции. При этом нужно учитывать стиль дома и других сооружений. В проекте должны быть учтены нагрузки. Для строительства конструкции будет нужен полимер, обычная и электрическая дрель, шуруповерт, может понадобиться сварочный аппарат, крепежные элементы, материалы для несущей конструкции.
Для самостоятельного изготовления павильонов часто используются деревянные стойки, их крепят на винтовых шпильках в металлические стаканы.
При этом расстояние от земли должно быть 20 см. Если используют дерево, то нижнюю часть бруса нужно заизолировать. Промежуток между стойками делают до 2 метров. Опорную стойку ставят в яму на 1-1,5 метра и бетонируют.
На видео можно посмотреть пошаговую инструкцию изготовления павильона для машины. Можно также посмотреть поэтапное фото изготовления автомобильного павильона.
В первую очередь нужно сделать каркас. Обычно для него берут оцинкованный профиль.
Поперечные опоры изгибают, им придается форма арки, потом они соединяются распорками. Полимер обрезают в соответствии с размерами готового павильона, Чтобы придать полимеру форму дуги к нему прикрепляют профиль и делают надрезы с расстоянием в 5 сантиметров, потом сгибают лист.
Готовые края фиксируют саморезами и термошайбами, потом края приклеивают лентой. Для получения гнутой балки используют также сварку.
При монтаже основная сложность заключается в правильной разметке под соединительные элементы при сборке первой арочной секции.
Эти операции удобнее делать на земле. С остальными секциями арки будет проще, их можно сверлить по первой.
Монтаж полимера для автомобильного павильона обычно не вызывает сложностей. Их собирают за несколько часов. Кромку листа вставляют в паз профиля, потом крепят к каркасу.
Важные особенности изготовления навеса
Выбирая модель конструкции, нужно учитывать, что на моделях с изогнутой крышей будет меньше скапливаться снег, мусор. Павильон нужно сделать так, чтобы снег сам мог стекать с крыши. Для этого внутренние ребра жесткости располагают поперек конструкции, не вдоль.
Большей популярностью пользуются арочные навесы (можете видеть их на фото). Они красиво выглядят, у них нет стыков и зазоров, есть два ската, поэтому хорошо скатывается снег и стекает вода.
Для односкатных крыш опоры должны быть разной высоты. У односкатных крыш тоже нет стыков и зазоров, а снег стекает только с одной стороны.
Если павильон делается из сотового полимера, то монтаж его листов осуществляется только перпендикулярно земле.
Отверстия для крепежных элементов делают в полимере до монтажа. Отверстия нужно делать чуть больше, чем крепежный элемент, иначе полимер повредится, когда будет сжиматься под воздействием температур. Дырки нужно впоследствии загерметизировать резиновыми прокладками. Нижние и верхние края материала закрывают защитными лентами перфорированной и цельной соответственно.
Выбор полимера для изготовления конструкции обуславливается его простотой в монтаже, относительно низкой стоимостью, возможностью вписать получившееся сооружение в дизайн дома. Обычно выбор останавливают на сотовом полимере. Очень разнообразны цвета продаваемого сотового полимера — на любой вкус. Изготовление навесов из поликарбоната — процесс несложный. В рамках изготовления своими руками самый долгий период – это подготовка площадки и затем дальнейшее ожидание, когда «схватится бетон». Сам монтаж конструкции потом можно сделать в течение одного дня.
типы, инструкция и фото навесов – Ремонт своими руками на m-stone.ru
Все чаще при строительстве частных городских и загородных домов для отделки стен, покрытия крыши и устройства козырьков используются современные материалы. Один из таких материалов — это сотовый поликарбонат, который отлично подходит для постройки беседок и теплиц, а также козырьков над входной дверью и навесов над бассейнами и стоянками для машин.
Навес из поликарбоната своими руками
Навес из поликарбоната своими руками смонтировать достаточно просто, тем более что в продаже можно отыскать готовые каркасные конструкции, имеющие различные конфигурации и размеры, из которых можно выбрать наиболее подходящий для конкретной площадки.
Несложно построить каркас и самостоятельно, если навес будет иметь прямую форму – без изгибов и замысловатых конфигураций. Особого укрепления каркас не требует, так как поликарбонат имеет небольшой вес и не даст значительной нагрузки на конструкцию.
Чтобы понять, насколько этот материал подходит для монтажа, и как правильно это сделать, нужно немного разобраться в его технических и декоративных характеристиках.
Так, как для навесов в основном используется сотовый поликарбонат, о котором и пойдёт речь.
Содержание статьи
1 Характеристики сотового поликарбоната2 Монтаж навеса2.1 Материалы для постройки2.2 Нюансы монтажа2.3 Видео: пример крепления поликарбоната к основанию2.4 Процесс монтажа навеса2.5 Видео: самостоятельный монтаж навеса из поликарбоната
Характеристики сотового поликарбонатаПоликарбонат открывает широчайшие возможности для творчества
Поликарбонат обладает немалым количеством уникальных положительных качеств, что делает его в некоторых случаях незаменимым:
Хорошая светопроницаемость и прозрачность, которая доходит до 85 — 87%!
(MISSING)Он отлично рассеивает проникающий через него свет.
Достаточно высокая гибкость листов, без предварительной их подготовки.
Высокая ударостойкость, которая превышает это же качество силикатного стекла в 180 ÷ 200 раз.
Вместе с тем, поликарбонат по весу легче стекла в 7 ÷ 8 раз.
Материал обладает хорошими теплоизолирующими и звукоизолирующими качествами. Например, во время дождя, шум слышен минимальный.
Такое покрытие при качественном монтаже способно выдержать высокие снежные и ветровые нагрузки.
Материал стоек к химическим и ультрафиолетовым воздействиям, так как имеет специальное защитное покрытие.
Поликарбонат выдерживает температуры от — 50 в зимнее время, а верхняя граница доходит до + 115 °С.
Доступная цена сотового поликарбоната позволяет приобрести его даже среднестатистической по доходам семье.
Нельзя не отметить эстетичный современный внешний вид.
Срок службы качественного поликарбоната, имеющего защитное покрытие, составляет 20 ÷ 25 лет.
Материал легок в монтаже, с которым может справиться даже один мастер.
Если представить некоторые характеристики поликарбоната разной толщины в цифрах, они будут выглядеть следующим образом:
Таблица основных технических характеристик структурированных поликарбонатных панелей:
| Тип панели | Толщина панели в мм | Удельный вес в гр. /кв.м | Минимальный радиус изгиба в мм | Прочность и модуль упругости при растяжении (по ГОСТу) в кгс/кв.см | Ударная стойкость в Дж. | Показатели теплопроводности (приведенное сопротивление теплоотдачи) | Поглощение шума,dB (по ASTM E90-83) | ||||
|---|---|---|---|---|---|---|---|---|---|---|---|
| Прочность | Модуль упругости | DIN | ASTM | К. Вт/м2Со | R(1/К) | 1000 Hz | 3000 Hz | ||||
| СПК | 4 | 800 | 700 | н.д. | н.д. | н.д. | н.д. | 3.9 | 0.26 | н.д. | |
| 6 | 1300 | 1050 | н.д. | н.д. | 2.1 | 2.1 | 3.6 | 0.28 | 18 | 23 | |
| 8 | 1500 | 1400 | 653 | 20400 | 2. 16 | 2 | 3.4 | 0.29 | 20 | 26 | |
| 10 | 1700 | 1750 | 658 | 21300 | 2.332 | 2.48 | 3.1 | 0.32 | 22 | 30 | |
| 16 | 2700 | 2800 | 705 | 22770 | 2.8 | 3.68 | 2.4 | 0.42 | 25 | 34 | |
| 25 | 3500 | 4370 | 707 | 23120 | 2.98 | 3.82 | 1.75 | 0.58 | 30 | 42 |
Некоторые качества поликарбоната целесообразно рассмотреть подробнее, так как эта информация поможет при выборе и монтаже этого кровельного материала.
Небольшой вес материала
Панели поликарбоната весят не только меньше стекла, но и в три раза меньше, чем акриловый кровельный материал той же толщины. Это облегчает монтаж конструкции, так как поднять поликарбонат на высоту можно, не прибегая к вспомогательным подъемным механизмам. Благодаря небольшой массе материала, можно проектировать сложные конструкции навеса, так как они не особо утяжелят каркас.
Даже большой по площади навес не будет слишком тяжелым
Поликарбонат с удовольствием используют дизайнеры, которые планируют создать современный оригинальный экстерьер строения, так как он делает крышу воздушной и визуально невесомой. Особенно этот параметр ярко выражен, если выбрано прозрачное покрытие светлого цвета, а каркас под покрытие окрашен в белый цвет или изготовлен из тонких элементов.
Высокая светопроницаемость
По степени светопроницаемости поликарбонат может быть очень близок к стеклу
Высокая светопроницаемость панелей поликарбоната подходит для конструкций, которые должны быть укрыты от дождя и снега, но хорошо освещаться. Светопропускание через крышу или навес, покрытый этим материалом, доходит до 85—87%!,(MISSING) но напрямую зависит от толщины и цвета материала.
Различные оттенки и фактуры материала
Таблица коэффициентов светопропускания для стандартных панелей в процентах, в зависимости от цвета и толщины.
| Цвет материала | Типоразмер «Премиум» | Усиленный | |||||||
|---|---|---|---|---|---|---|---|---|---|
| 4 мм | 6 мм | 8мм | 10 мм | 16мм | 20мм | 25 мм | 4 мм — УС | 6 мм — УС | |
| Прозрачный | 85/87 | 80/81 | 79/80 | 78/79 | 78 | 68 | 60 | 82 | 81 |
| Бронзовый | 25/24 | 23/22 | 22/21 | 21/20 | 18 | 16 | 15 | ||
| Молочный | 33/34 | 31/32 | 30/31 | 30/31 | 26 | 22 | 20 | ||
| Зеленый | 36/37 | 32/33 | 33/34 | 33/34 | |||||
| Синий | 34/35 | 33/32 | 31/30 | 31/30 | |||||
| Коричневый | 18/19 | 15/16 | 14/15 | 14/15 | |||||
| Бирюзовый | 36/37 | 28/29 | 26/27 | 25/26 | |||||
| Желтый | 74/75 | 74/75 | 72/73 | 71/72 | |||||
| Оранжевый | 54/55 | 54/55 | 52/53 | 51/52 | |||||
| Красный | 29/30 | 25/26 | 24/25 | 23/24 | |||||
| Бордовый | 10/11 | 10/11 | 5/6 | 4/5 | |||||
| Серебристый | 33/34 | 31/32 | 30/31 | 30/31 | |||||
| Колотый лед | 80/81 | 79/80 | 79/80 | 79/80 | |||||
| Колотый лед бронзовый | 24/25 | 23/24 | 22/23 | 21/22 |
Из таблицы видно, что поликарбонат имеет достаточно много расцветок, поэтому выбрать самый привлекательный по дизайну и светопропускаемости — не составит большого труда.
Поликарбонат любого цвета отлично рассеивает солнечный свет и создает равномерное освещение под крышей.
Ударостойкость
Поликарбонат можно назвать самым прочным из термопластических материалов, даже при механическом воздействии на него в условиях высоких и низких температур. Сам по себе поликарбонат в 200 раз прочнее стекла, но, благодаря внутреннему ячеистому строению панелей, поверхность при ударе пружинит, как бы отбивая удар.
В предлагаемой таблице показана внутренняя структура строения панелей, и какой толщины они производятся.
Кровельный материал не травмоопасен, так как не разбивается на многочисленные осколки, как это бывает со стеклом. При очень сильном акцентированном ударе он, конечно, может дать трещину, но не разлетится на отдельные части и не деформируется.
Во время испытаний было выявлено, что градина, имеющая диаметр в 45 мм, летящая с высоты со скоростью в 25 м/сек, не в состоянии пробить крышу из панелей толщиной в 16 мм.
Стойкость к ультрафиолету
Нужно отметить, что сам по себе поликарбонат разрушается от воздействия ультрафиолетовой составляющей солнечных лучей, и срок его службы составит не более 2—3 лет, если он не будет покрыт специальной защитой от солнца. Если материал изначально был прозрачным или молочно-белым, то на нем появится пожелтение, или же он станет мутным. Воздействие ультрафиолета делает незащищенные панели хрупкими и ломкими. Поликарбонат без защитной пленки стоит дешевле, и многих привлекает именно этот критерий, но, покупая этот материал, не стоит экономить, так как через пару лет крышу придется перекрывать, а это не только лишние траты, но и ненужные трудозатраты.
Качественный поликарбонат имеет защитную пленку
Поликарбонат, покрытый с одной, а лучше – с двух сторон стабилизирующим покрытием, можно спокойно использовать на открытом воздухе, при прямом воздействии на него солнца. В этом случае ультрафиолетовое излучение с длиной волны до 400 нм, опасное не только для человека, но и для растений, будет ослаблено защитным покрытием, и проникающие через крышу лучи становятся безвредными.
Строение защитного слоя
Кроме того, такое покрытие прослужит длительный срок, даже несколько больше, чем гарантирует производитель.
Если на панели защитное покрытие установлено только с одной стороны, то монтаж производится этой стороной наружу.
Покрытие практически совсем незаметно на поверхности, поэтому производители обозначают нужную сторону специальной маркировкой, нанесенной на полиэтиленовую пленку.
Стойкость к химическому воздействию
Поликарбонат достаточно стоек к большинству химических веществ, которые могут на него попасть в условиях его применения в качестве кровельного покрытия. Однако, существуют и такие вещества, которые разрушают этот материал — хлорированные углеводороды, кетоны, щелочи и альдегиды. Эта информация может пригодиться при выборе герметиков или других материалов, которые могут соприкасаться с поликарбонатом при монтажных работах или во время ухода за ним. Поэтому приобретая такие составы для очистки поликарбонатной кровли или для ее герметизации, нужно обязательно проконсультироваться с продавцом или внимательно изучить инструкцию по применению.
Теплоизоляция
По сравнению с акриловыми панелями или с силикатным стеклом, поликарбонат имеет большое преимущество в части термоизоляции, там, где она необходима, так как обладает значительно меньшей теплопроводностью. Даже если применяются самые тонкие панели поликарбоната, имеющие толщину всего в 4 мм, они в два раза превосходят стекло по сохранению тепла, например, в зимнем саду. Поликарбонат толщиной в 8 мм дает такой же эффект теплоизоляции, как обычный стеклопакет с двойным остеклением, а материал толщиной в 16 ÷ 25 мм превышает показатели стеклопакетов, имеющих тройное остекление.
В летнее время поликарбонат отражает солнечные лучи, не давая проникнуть избыточному теплу в помещение.
В зимний же период, когда солнце находится низко, материал хорошо пропускает лучи вовнутрь, а это способствует нагреву комнаты.
Гибкость материала
Большим преимуществом поликарбоната является его гибкость, что позволяет сооружать полукруглые или конусообразные конструкции крыш.
Причем, сгибать его можно, не прибегая к нагреванию. Приобретая материал для конкретного варианта кровли, нужно обязательно обратить внимание на такой показатель, как минимальный радиус изгиба для определенной толщины поликарбоната, который можно найти в представленной выше таблице.
Одно из неоспоримых достоинств — гибкость материала
Несущая способность
Это покрытие способно выдерживать большие нагрузки благодаря своей высокой прочности. Так, при толщине в 16 мм оно выдерживает нагрузку до 400 кг/м² при устроенном под ним каркасе, даже имеющим такой значительный размер обрешетки, как 1000 × 1000 мм. То есть, если на один квадратный метр уложить 400 кг снега, материал спокойно выдержит эту нагрузку. Но такого количества снега на единицу площади в природе не выпадает, поэтому беспокоиться по этому поводу не стоит. Тем более, если навес будет устроен в виде арки, на которой не будут задерживаться снежные сугробы.
Поликарбонат способен выдерживать очень высокие нагрузки
Жаростойкость
Возгорание поликарбоната может произойти при воздействии на него открытого огня длительное время и достижении температуры в 560 ÷ 580 °С, при этом нужно учесть, что древесина загорается уже при + 270 ÷ 300 °С.
Поликарбонат можно смело отнести к жаростойкому и пожаробезопасному материалу
Вместе с тем, поликарбонат является самозатухающим материалом – если контакт с открытым пламенем прервать, то он не поддерживает горение и быстро гаснет. При воздействии открытого огня, поликарбонат чаще тлеет и деформируется, выделяет дым, но не возгорается. Дым от него не содержит тяжелых металлов, но имеет в своем составе водяной пар и углекислый газ, что тоже может быть вредным для здоровья человека.
Простота монтажа
Для монтажа поликарбоната не нужны какие-то особые инструменты – достаточно иметь пилу, электролобзик, шуруповерт или дрель, различные сверла по металлу или дереву, а также способные высверливать отверстия в панелях.
С монтажом должен справиться любой домашний мастер
В связи с тем, что материал легкий, с работой по его установке вполне можно управиться самостоятельно. Единственный момент, когда потребуется чья-то помощь — это укладка листов.
Размер панели поликарбоната — достаточно большой, и ее неудобно укладывать самостоятельно. Здесь не помешает еще одна пара рук.
Гарантии
Фирмы – производители качественного поликарбоната с защитным покрытием гарантируют сохранение внешнего вида и технических характеристик в течение 10 лет с момента его монтажа. Нужно знать, что обычно производители дают гарантию на минимальный срок эксплуатации, однако практика показывает, что добротный материал прослужит 20 ÷ 25, а то и больше лет без изменений декоративности и без потери своих положительных качеств.
Монтаж навесаУзнайте, как сделать забор из поликарбоната своими руками, а также изучите инструкцию по строительству, из статьи на нашем портале.
При изготовлении навеса над бассейном, верандой или стоянкой, поликарбонат трудно заменить другим материалом, столь хорошо подходящим для этих целей, поэтому все чаще из всех кровельных покрытий выбирается именно он.
Поликарбонатный навес над бассейном
При правильном выборе каркаса, навес может быть установлен отдельно или же пристроен к одной из стен дома. Надежное крепление сделает его неуязвимым для сильного ветра, а сам материал создаст комфортные условия для пребывания людей или для стоянки автомобиля в любое время года, так как укроет от прямого попадания осадков и от разрушающих ультрафиолетовых лучей.
Материалы для постройкиЧтобы правильно провести монтаж навеса, необходимо уметь выбрать нужные материалы и принадлежности, знать некоторые нюансы их строения и предназначения.
Самыми применяемыми видами поликарбоната для покрытия козырьков и навесов являются так называемые сотовые панели с внутренними ребрами жесткости. Их строение и размеры – в приведенной ниже таблице.
Панели производятся длиной в 6 или 12 метров. Ребра жесткости располагаются вдоль по длине листа. Эти данные помогут правильно рассчитать конструкцию каркаса и количество необходимого кровельного материала для него.
Для соединения отдельных панелей между собой необходимо приобрести специальный профиль, который производится длиной в 6 метров.
Схема разъемного соединительного профиля
Он бывает двух видов:
— профиль, в который листы поликарбоната вставляются с двух сторон с помощью протягивания их в специальный паз;
— разъемный профиль, который состоит из двух элементов. Один из них устанавливается под листы кровли, а второй надевается на него, после закрепления поликарбоната к обрешетке.
Торцы поликарбоната после его монтажа на обрешетку отделываются торцевым профилем. Эти элементы обычно производятся длиной в 2100 мм.
В отверстия для крепления материала к обрешетке необходимо будет приобрести термошайбы с крышками. Они выпускаются в различном оттеночном исполнении – можно подобрать к выбранному цвету поликарбоната.
Термошайбы разного цвета
Саморезы продаются отдельно. Их длина должна составлять 40 ÷ 60 мм, в зависимости от толщины материала.
Для просверливания ровных отверстий для установки термошайб и дальнейшего крепления потребуются специальные корончатые сверла.
Сверла-коронки, применяемые для поликарбоната
Для установки обрешетки и несущих стоек будут нужны деревянный брус размером в сечении 50 × 50 и 100 × 100 мм или же квадратная труба размером в 30 × 30 и 50 × 50 мм.
Размеры обрешетки зависят от, величины планируемой нагрузки на кровельное покрытие. Количество материала можно будет подсчитать после того, как будет составлен чертёж каркаса для монтажа поликарбоната. Можно, с вполне допустимой долей приближения, не проводить расчетов, а воспользоваться рекомендациями, приведенными в таблице.
Таблица размеров обрешетки несущей конструкции под покрытие сотовым поликарбонатом (в соответствии с графической схемой):
Схема обрешетки (к таблице)
| Нагрузка | 6 мм | 8 мм | 10 мм | 16 мм | ||||
|---|---|---|---|---|---|---|---|---|
| А (см) | В (см) | А (см) | В (см) | А (см) | В (см) | А (см) | В (см) | |
100 кг/ кв. м | 105 | 79 | 120 | 90 | 132 | 92 | 125 | 95 |
| 90 | 90 | 95 | 95 | 100 | 100 | 110 | 110 | |
| 82 | 103 | 90 | 110 | 90 | 115 | 95 | 120 | |
| 160 кг/ кв.м | 88 | 66 | 100 | 75 | 105 | 75 | 115 | 90 |
| 76 | 76 | 83 | 83 | 83 | 83 | 97 | 97 | |
| 70 | 86 | 75 | 90 | 75 | 95 | 85 | 105 | |
| 200 кг/ кв.м | 80 | 60 | 85 | 65 | 95 | 70 | 110 | 85 |
| 69 | 69 | 76 | 76 | 78 | 78 | 88 | 88 | |
| 62 | 78 | 65 | 85 | 70 | 85 | 75 | 95 |
Можно приобрести и готовые гнутые каркасы со стойками нужного размера и с крепежными элементами.
Они продаются в разобранном виде и удобны в монтаже, но не всегда можно найти навес требуемых размера и формы.
Готовый комплект для монтажа навеса
Нюансы монтажаПеред работой нужно обязательно ознакомиться с некоторыми важными моментами, которые следует учитывать и при покупке материала, и при его монтаже.
Разнообразие возможных конфигураций навесов
При создании арочных конструкций панель поликарбоната сгибается поперек длины ребер жесткости, так как если производить сгиб вдоль этих элементов, может образоваться залом, на котором со временем образуется трещина. Кроме этого при планировании такой конструкции, необходимо заранее заглянуть в таблицу, где сведены данные о минимальном радиусе изгиба для той или иной толщины материала.
Для конструкций разных форм рекомендовано использовать свою толщину материала, например:
— для арочных конструкций нужен материал, имеющий толщину 8 мм;
— для навесов небольшой площади над входной дверью достаточно толщины в 6 мм;
— для большой площади навеса, имеющего наклонное направление, используются панели толщиной в 10 мм;
— для горизонтального навеса с небольшим уклоном нужно выбирать поликарбонат толщиной в 16 мм, так как маленький уклон будет способствовать задержанию на крыше снега в зимний период.
Торец верхнего края листа нужно обязательно заклеить защитной лентой, во избежание попадания в каналы поликарбоната насекомых, влаги и пыли.
Нижний край панели перед монтажом на нее торцевого профиля рекомендовано заклеить перфорированной пленкой, которая защитит каналы от упомянутых неприятностей, но не задержит влагу внутри.
Отверстия под саморезы просверливаются большего размера, чем шляпки крепежных элементов, так как в них будут устанавливаться термошайбы. Эти детали не дадут проникнуть под покрытия влаге и позволят расширяться и сужаться материалу при перепадах температур.
Первые отверстия для крепежных деталей просверливаются не менее чем на 40 мм от края, иначе есть риск растрескивания поликарбоната.
Примерная схема крепежа
Шляпка вкрученного в шайбу самореза должна быть обязательно закрыта специальной крышкой, иначе вода от осадков обязательно попадет под покрытие.
Видео: пример крепления поликарбоната к основаниюПроцесс монтажа навесаПодготовив все необходимое и изучив отдельные нюансы, можно переходить к работам.
Если площадка под установку навеса не обустроена, то с нее и следует начинать работы.
Если она будет заливаться бетоном, то одновременно с ее постройкой можно установить и опорные столбики, на которых будет монтироваться каркас под поликарбонат.
Для начала — готовится площадка
Сначала выбранное место размечается и очищается от дерна. Затем оно выравнивается, и с помощью ручного бура выкапываются отверстия под установку столбиков опор, глубиной в 500 мм и на расстоянии друг от друга 2000 ÷ 2500 мм.
Далее, в ямы засыпается песок, слоем в 100 мм и хорошо утрамбовывается. Сверху него делается засыпка щебня средней фракции и тоже уплотняется. Металлические столбики с приваренными к ним в нижней части арматурными прутьями устанавливаются в яму, выставляются по уровню, заливаются бетоном и оставляются схватываться.
На второй день можно аккуратно производить дальнейшие работы. Вокруг площадки, в которую должны входить и вмурованные столбики устраивается опалубка из досок высотой в 180 ÷ 250 мм.
Примерные размеры навеса для автостоянки
На огороженную площадку засыпается слой песка в 50 ÷ 70 мм, смачивается и утрамбовывается. Сверху него укладывается гравий или щебень, который тоже нужно уплотнить. На всю подготовленную площадь устанавливается арматурный каркас.
Если столбики планируется установить сверху готовой площадки, то при установке арматурного каркаса монтируются закладные элементы, к которым будут крепиться несущие стойки.
После этого опалубка полностью заполняется бетонным раствором и хорошо выравнивается.
Каркас можно монтировать на стойки только спустя две ÷ -три недели после заливки, после застывания площадки и вмурованных в нее закладных деталей или столбиков.
Крепление стоек к закладным элементам
Если стойки еще не установлены, то их закрепляют на заложенные в бетон элементы с подготовленными отверстиями.
Если же будут устанавливаться деревянные столбики, то их необходимо заранее обработать антисептическими составами и покрыть краской.
При установке их в грунт или в бетон, нижнюю их часть рекомендовано обработать гудроном или битумной мастикой.
Далее, устанавливаются поперечные опорные элементы, которые свяжут между собой вертикальные опоры и придадут конструкции жесткость. Они могут быть выполнены из ровных перекладин или сварены в виде ферм. Второй вариант предпочтительнее, так как ферма более надежно свяжет столбики между собой.
Перемычки в виде дугообразных ферм
Следующим этапом на горизонтальные перекладины нужно закрепить арочные несущие элементы. Точный изгиб невозможно сделать самостоятельно, если нет специального станка, поэтому придется обратиться за помощью к мастеру или же приобрести готовые элементы арки или полуарки.
При условии, если планируется сделать ровный скат или два ската, то каркас под них устанавливается из ровных квадратных труб или же деревянных брусков. Как можно сделать обрешетку двухскатной крыши, можно узнать, пройдя по ссылке на соответствующую статью нашего портала.
Однако, все-таки навес из поликарбоната лучше всего делать в виде арки — эта форма оптимальна для рассеивания света и для защиты площадки от дождя и снега.
Закрепление гнутого горизонтального элемента к стойкам осуществляется с помощью двух треугольных элементов, называемых «косынкой».
Крепление дуг к стойкам косынками
Если навес достаточно широкий, то арочные элементы каркаса изготавливают также в виде фермы с дополнительными подпорными деталями.
Эти проверенные размеры навеса можно взять за основу
Фермы или арки соединяются между собой горизонтальными трубами. Обрешетка рассчитывается в зависимости от толщины поликарбоната. Точнее ее параметры можно узнать из представленной выше таблицы.
Когда каркас под покрытие будет готов, переходят к его покрытию. Длина листа поликарбоната должна быть равна длине изгиба арки плюс 120 ÷ 150 мм.
Резка поликарбонатных панелей
Резка поликарбоната осуществляется с помощью электролобзика.
Можно распилить его и используя ножовку, но в этом случае край будет неаккуратный.
Подготовив листы поликарбоната нужного размера, с внешней поверхности снимают защитную полиэтиленовую пленку и укладывают первый лист на обрешетку таким образом, чтобы лист выступал за пределы первой трубы обрешетки как минимум на 40 мм.
С помощью специального сверла проделываются отверстия — тонкое в металлическом профиле и широкое — в поликарбонате.
Установка блока термошайбы с саморезом
Затем в широкое отверстие устанавливается термошайба, вкручивается саморез по металлу, а сверху надевается специальная крышка. Расстояние между крепежными элементами должно составлять 300 ÷ 350 мм.
Прежде чем закрепить вторую сторону листа, под нее устанавливается нижняя часть соединительного профиля и прикручивается к каркасу.
Схема установки соединительного профиля
Далее, укладывается следующий лист, также закрепляется, а между ним и первым листом сразу же устанавливается верхняя часть соединительного профиля.
С торца он закрывается специальной заглушкой.
Соединение закрывается специальной заглушкой
Таким образом, монтируются и все остальные листы.
Работа заканчивается тем, что на торец смонтированных листов надевается торцевой профиль.
Для наглядности – видео по устройству навеса для автомобильной стоянки.
Видео: самостоятельный монтаж навеса из поликарбонатаЕсли монтаж материала будет проведен по всем правилам и с применением всех задуманных для его длительной эксплуатации элементов, покрытие прослужит достаточно долгий срок без ремонта и без особо сложного ухода за собой.
выбор цвета, установка своими руками односкатного и других навесов из монолитного поликарбоната. Чертежи и размеры
На сегодняшний день поликарбонат является самым популярным материалом для навесов. Его светопропускные способности, легкость и прочность наилучшим образом подходят для монтажа и эксплуатации кровли над любыми летними постройками придомовых территорий.
Особенности, плюсы и минусы
Поликарбонат относится к универсальным материалам для навесов. Его возводят над автомобильной стоянкой, детской площадкой, зоной отдыха, оборудуют масштабные покрытия над территорией всего двора, от калитки до крыльца дома. Дворы под поликарбонатными навесами всегда остаются светлыми и чистыми, так как материал способен пропускать свет и защищать от непогоды. Изучая характеристики данного полимера, находишь в нем все больше достоинств.
- Пропускная способность солнечных лучей составляет 75-95%. При этом поликарбонат равномерно рассеивает свет и удерживает опасное ультрафиолетовое излучение.
- Материал в 100 раз прочнее стекла и в 10 раз крепче акрила.
- Он выдерживает температурный разбег от – 45 до + 120 градусов.
- Полимер не причиняет вреда здоровью и безопасен по своим огнестойким показателям.

- Он имеет длительный срок службы, устойчив к истиранию и механическим повреждениям.
- Малый вес кровельных листов не создает больших нагрузок на опоры и позволяет производить самостоятельный монтаж.
- За навесом легко ухаживать.
- Поликарбонат выпускается в разнообразном ассортименте расцветок и видов.
- Он пластичен, из него можно создавать кровли с красивыми гнутыми линиями.
- Легкость и воздушность материала позволяет навесам встраиваться в любой ландшафтный дизайн.
- В довершении к озвученным плюсам, можно добавить лояльную стоимость поликарбоната, которая также додает ему популярности.
Минусов у материала совсем немного, но они тоже имеются.
- Следует приобретать товар с защитным покрытием, иначе его можно оцарапать.

- Химические реактивы оставляют пятна на поверхности, но, как понимаем, с ними не часто приходится сталкиваться.
- Материал имеет широкое тепловое расширение, поэтому для монтажа приходится использовать специальные крепежи и оставлять зазоры между листами.
Промышленность выпускает несколько видов данного кровельного материала – монолитный, профилированный, сотовый.
Монолитный
Самый прочный и прозрачный вид поликарбоната, внешне похож на стекло, но вдвое легче, пропускает до 95% солнечных лучей. Цветные и бесцветные материалы имеют разную степень прозрачности. В продаже можно встретить листы толщиной от одного до 20 мм.
Параметры влияют на радиус изгиба материала, чем тоньше – тем пластичнее.
Профилированный
По своим характеристикам, это тот же монолитный вид, но он не выглядит как ровный лист, а имеет ломаную поверхность с четкими линиями либо представлен в виде волнообразной формы.
Сотовый
Его называют еще структурированным или ячеистым за внешний вид боковин листа. Такой тип поликарбоната получают путем сложения двух поверхностей, между которыми устанавливается ровный ряд перемычек, в результате, в разрезе продукт имеет равномерные отверстия (ячейки). Многослойный пластик образуют путем складывания 2-7 листов с перемычками. Именно такой материал с торца отдаленно напоминает сотовые ячейки пчел.
Структурированная форма позволяет изделию заполняться воздухом и становиться легким (в 6 раз легче стекла), воздушным и максимально прочным.
Он вдвое превосходит стекло по изоляции звука, пропускает свет на 80% и хорошо сохраняет тепло. Пластичность сотового полимера дает возможность выполнять из него навесы в форме арок, волны, купола. Степень гибкости и вес материала зависят от количества его слоев.
Виды конструкций
Гибкие свойства поликарбоната позволяют выполнять разнообразные навесы. Конструктивно они отличаются друг от друга по форме и типу опор. В зависимости от выбора проекта, можно создавать строения разных видов, от простейших односкатных козырьков до сложных многоярусных или куполообразных кровель.
По типу опоры
Опоры делают из металла, деревянного бруса. Дорогие и эффектные виды навесов выполняют в виде кованых конструкций или с участием резных столбов из дерева. В создании ферм задействуют профильную трубу и более тонкие металлические профили.
Металл
Металл идет на создание опор, каркаса и ферм. После бетонирования металлических свай переходят к созданию ферм, на которые в дальнейшем будут устанавливать листы поликарбоната. Отдельно с помощью сварки собираются прогоны, затем их монтируют на опоры, выполняя каркас под кровельное покрытие. В качестве материала выбирают стальной профиль с антикоррозийной защитой.
Иногда для создания каркаса применяют эффектную ажурную ковку. Она особенно уместна, если на участке уже есть кованые изделия, например, балкон, беседка, качели. Для горячей ковки используют алюминий, сталь, титан и всевозможные пластичные сплавы. Чтобы осуществить холодную ковку, понадобится листовая основа.
Элементы самых дорогих навесов покрывают тонким слоем меди, серебра и даже золота.
Бетон, кирпич, камень
Опоры под крышу из поликарбоната нередко строят из таких материалов, как бетон, камень и кирпич. Они прочны и долговечны, но в отличие от железных свай, опорам из кирпича и камня понадобится расчет количества требуемого материала, а также выдерживаемой нагрузки. Опоры из бетона нуждаются в дальнейшей лицевой отделке, а кирпич и камень сами по себе выглядят дорого и презентабельно.
Дерево
Установить сборный каркас из древесины не составляет особого труда, достаточно иметь элементарные плотницкие навыки. Для стоек и обвязки понадобятся брусья, а для креплений – различные метизы. Детали каркаса подготавливаются заранее, обрабатываются противогрибковыми средствами, этот процесс может растянуться на неделю, зато сама сборка проходит за один день.
Древесина уступает по крепости металлу и камню, от дождей она разбухает, от жары – трескается, но красота и природная энергетика подобных навесов становятся весовыми аргументами в их пользу. К тому же они органично вписываются в зеленый массив сада.
По форме и количеству скатов
Из листов поликарбоната можно выполнить круглый, арочный, полуарочный, консольный вид навеса, а также прямой козырек с односкатной или двускатной закрытой кровлей.
Односкатный
Навес имеет единственную прямую плоскость, направленную под уклон. Угол наклона зависит от метража поверхности, он рассчитывается таким образом, чтобы снег и другие виды осадков не задерживались на кровле. Односкатные навесы часто монтируют к стенам зданий, а вторую, более низкую сторону устанавливают на опоры. Подобный вид козырьков можно выстраивать и обособленно, для этого сваи с двух сторон делают разной длины.
Двускатный
Навес с двумя скатами является классическим. Его выбирают, если хотят продублировать форму крыши жилого дома, в таком случае и опоры выстраивают из материала основного здания. Уклон обеих плоскостей составляет примерно 40 градусов, этого достаточно, чтобы снег покидал кровлю под собственным весом.
Используются двускатные крыши для отдельно стоящих навесов либо козырьков, расположенных у входа в дом.
Арочный
Поликарбонат любых видов хорошо гнется, и придать ему полукруглую форму не составляет труда.
На арочную поверхность снег менее всего налипает и почти не создает давление. Такой вид кровли лучше других защищает от ветра и косых дождей, перенаправляя их в сторону от навеса.
Конусный
Навес выполняется в виде конуса, но часто к таким видам относят и более объемные купольные формы. Подобные конструкции имеют самый привлекательный внешний вид, их строят для реализации определенных дизайнерских решений, составляющих общую стилизацию ландшафта. Выстроить такой навес достаточно сложно, нужно правильно рассчитать толщину материала, силу нагрузки, направление ячеек, радиус гнутой линии купола.
Сложный
Эстетически очень красивый навес, состоящий из разноуровневых поверхностей. Если он примыкает к дому, крыша здания включается в общий архитектурный ансамбль кровли.
Выбор цвета
Первые листы поликарбоната были прозрачными. Сегодня промышленность выпускает этот продукт в большом цветовом ассортименте. На светопропускающие способности влияет не только толщина полимера, но и конкретный цвет материала.
- Прозрачный. Имеет самую высокую пропускную способность солнечных лучей, до 95%. Не рассеивает свет и не создает тени, полезен в качестве защиты от осадков. Его лучше выбирать для тех мест, где важна естественная освещенность. Им хорошо покрывать теплицы, чтобы не нарушать процесс фотосинтеза. Остальные виды поликарбоната относят к полупрозрачным материалам, с разной степенью пропускной способности света.

- Опал. Эту расцветку можно считать прозрачной на 50-75%.
- Красный, желтый, зеленый, синий, серый, оранжевый, коричневый. Полимеры перечисленных оттенков рассеивают свет и наделены прозрачностью на 45-55%. Под такой кровлей не темно и не жарко, поэтому материалы данных окрасок применяют для создания навесов.
- Индекс светопропускания бронзовых расцветок составляет 25-40%, они также годятся для козырьков.

- Серебристый и снежно-белый материал пропускает свет на 25% и создает неплохую тень, что является бесценным качеством для южных регионов страны.
- Очень слабая пропускная способность у золотистого и красного поликарбоната.
Где разместить?
Навесы используются для разных целей, поэтому их назначение напрямую связано с местонахождением.
- Крытую стоянку для машины нередко можно увидеть примыкающей к гаражу или к хозблоку. Конструкцию располагают на недалеком расстоянии от ворот со свободным подъездом, не пересекающимся с активной зоной двора.
- Большие навесы (от самой калитки до входной двери дома) покрывают весь двор вместе с лавочкой, крыльцом, позволяя ему быть чистым даже в сильные ливни.
- Можно изготовить и совершить установку защитного козырька в зоне сушки белья, тогда не страшно пропустить дождь и вовремя не убрать вещи с веревки.
- Устройство покрытия над детской площадкой убережет детей от перегрева.
- Красивые полупрозрачные кровли возводят над скамейкой, беседкой, верандой, террасой.
- В зоне отдыха над мангалом или печью барбекю также уместны защитные навесы.
В таких местах выстраивают еще 1-2 стены с учетом направления ветров, чтобы уберечь живой огонь от затухания.
Как сделать своими руками?
Простой навес из поликарбоната не сложно выполнить самостоятельно. Это легкий и удобный для монтажа материал, он не крошится и не растрескивается во время кроя. Расскажем подробнее, как построить арочное покрытие своими руками.
Чертежи и размеры
Прежде чем начать строительство, следует определиться, какой навес нужен – автомобильный, над беседкой, двором, зоной барбекю. Стоит найти место для предстоящей постройки, размер которой напрямую будет завесить от возможности территории. Затем составить схему будущей конструкции, произвести расчёты нагрузки кровли на опоры (с учетом снега). Необходимо также выбрать материал для навеса и рассчитать его количество.
Приобретается строительный материал с небольшим запасом, чтобы была возможность перекрывать случайные ошибки.
Изготовление каркаса
Работа над конструкцией начинается с возведения опор. Для этого необходимо очистить и разровнять выделенную под навес территорию. Затем, согласно эскизу, с помощью веревки и колышек сделать разметки под опоры. Углубления (50-80 см) пробурить или выкопать лопатой, на дно засыпать песок, щебень. Когда ямы готовы, необходимо установить в них опоры, выровнять их с помощью уровня и залить цементом. Если навес большой, кроме угловых колонн, монтируют промежуточные с шагом 1,5 или 2 м.
Когда бетон просохнет, по верхнему краю опор делают обвязку с помощью профилированной трубы. Затем переходят к изготовлению ферм, их собирают отдельно. Сначала изготавливают шаблон одного прогона, к нему с помощью сварки крепят мелкие металлические детали.
Остальные прогоны изготавливают по примеру первого. Готовые конструкции поднимают и приваривают к профилированным трубам верхней обвязки.
Следует учитывать вес конструкции, каждая ферма потянет на 20 кг, устанавливать их придется вдвоем или втроем. На этом этапе уже можно крепить водосток.
Монтаж листа
Раскрой и укладку листов поликарбоната производят согласно чертежу. Для этого на материале фломастером делают разметки, с помощью циркулярной пилы пластик раскраивают, затем освобождают торцы от налипшей стружки. Во время кроя следует учитывать направление ячеек сотового поликарбоната.
Листы должны ложиться так, чтобы конденсат в них не скапливался, а имел возможность стекать под уклон кровли.
Монтаж листов происходит с помощью термокомпенсирующих шайб. Стыковать швы нужно так, чтобы они совпадали с металлическим профилем. Между листами оставляют зазоры до 3 мм, на расширение материала при нагреве на солнце. Крепеж к краю происходит не ближе 4-5 см. Стыковочные места закрывают профильными лентами с уплотнителем, подобранными по цвету поликарбоната. Верхние торцы прячут под алюминиевой лентой. Нижние стыки скрывают перфорированной защитой, она дает возможность конденсату не задерживаться в ячейках материала.
Чем можно заменить поликарбонат?
Неплохой альтернативой может оказаться профнастил. Он имеет ряд преимуществ, позволяющих сделать выбор в его пользу.
- Долговечность. Профилированные листы сделаны из стали и покрыты полимером или цинком.
Они устойчивы к механическим воздействиям, не боятся нагрузок, не ржавеют и могут прослужить в качестве навеса до 50 лет. - Выбор цвета. Промышленность выпускает материал с большим разнообразием расцветок, его можно подобрать на любой вкус и к любому дизайну.
- Прочность. Металлическая основа профлистов по крепости превосходит любые другие виды кровельного материала – дерева, поликарбоната, стекла, черепицы.
Прежде чем решиться вместо полимера использовать профлист, следует ознакомиться и с недостатками этого материала.
- Во избежание коррозии необходимо просматривать навес и подкрашивать места с нарушенным защитным покрытием.
- Данный материал способен издавать шум, под такой крышей не уснешь во время дождя, града или сильного ветра.
Кроме профнастила, навесы покрывают битумной черепицей, доской, рубероидом.
Советы по уходу и ремонту
Испорченные во время эксплуатации листы поликарбоната подлежат демонтажу и замене. Если навес стал протекать, следует проверить герметичность стыков. Восстановить целостность покрытия несложно. В зимнее время нужно следить, чтобы снег не скапливался на крыше. Необходимо также убирать листву и сухие ветки. Следует периодически мыть конструкцию под напором воды из шланга.
Если есть доступ к поверхности навеса, например, с крыши соседней постройки или стремянки, можно провести более тщательный уход с помощью длинной швабры с насадками и моющего средства на основе спирта. Это придаст кровле обновленный блеск. Во время уборки не стоит использовать абразивные средства, они могут поцарапать пластик.
Красивые примеры
Навесы из поликарбоната разнообразны, легки и воздушны.
Нарядные эффектные конструкции могут стать гордостью любого загородного участка. Для этого следует выбрать строение, отвечающее стилю ландшафтного дизайна и вкусу хозяина. Предлагаем ознакомиться с примерами красивых навесов из полимера.
- Раздвижная конструкция над бассейном.
- Покрытие над террасой из цветного монолитного поликарбоната.
- Современный дизайн навеса с подсветкой.
- Эстетически привлекательно выглядит кровля в форме волны.
- Оригинальная защита над зоной отдыха – монолитный полимер на деревянном каркасе.

- Прозрачный воздушный навес с изогнутым контуром.
Навесы на загородных участках не бывают бесполезными. Под ними можно спрятать автомобиль или укрыться самим от дождя и солнца. Если постараться, такие конструкции могут стать настоящим украшением сада или придомовой территории.
О том, как сделать навес из поликарбоната своими руками, смотрите в следующем видео.
Очень практичная и декоративная конструкция маркизы из поликарбоната Продукты для индивидуальной настройки в Интернете
На сайте Alibaba.
com представлен впечатляющий ассортимент атмосферостойких и прочных маркиз из поликарбоната модели , подходящих для наружных навесов, патио, ставней, окон и многого другого. Сделайте свое рабочее или домашнее пространство более практичным и привлекательным, купив самую обширную коллекцию маркиз из поликарбоната , дизайн , доступных в уникальных дизайнах и цветах. Независимо от того, покупаете ли вы поликарбонатную маркизу модели для установки в жилом помещении, ресторане или бизнес-центре, выберите из целого ряда выдвижных и постоянных решений для навеса.
Поликарбонатная маркиза модели изготовлена из высококачественного винила, хлопка, акрилового полотна и полиэстера, что обеспечивает комфортную тень на долгие годы. Большинство навесов из поликарбоната модели имеют крепеж и кабели, изготовленные из прочной нержавеющей стали и алюминия, что гарантирует долговечность. Эти навесы из поликарбоната модели имеют прочную внешнюю поверхность, которая может выдерживать эффекты износа, вызванные плесенью, грязью и выцветанием под действием ультрафиолетового излучения.
Рассмотрите модель маркизы из поликарбоната , доступную в различных размерах и конструкциях, причем 24-футовые модели лучше всего подходят для дверей патио, а восьмифутовые модели лучше всего подходят для панорамных окон. Многие каркасы навесов из поликарбоната конструкции созданы из прочных и долговечных материалов, а некоторые имеют магнитные и складные экраны. Какими бы ни были требования вашего проекта, просмотрите сайт Alibaba.com прямо сейчас, чтобы найти лучшую модель маркизы из поликарбоната , созданную с учетом различных потребностей и предпочтений.
Оптовые и розничные продавцы теперь могут покупать самую большую коллекцию поликарбонатных маркиз дизайна на Alibaba.com по ценам, соответствующим уникальным ценам на розничных и оптовых рынках. Приобретайте товары категории «все включено», большинство из которых имеют поверхности с порошковым покрытием и все необходимые сертификаты. Покупатели теперь могут заказывать оптом, чтобы пользоваться скидками и премиальными предложениями.
фото, разновидности, этапы монтажа и особенности конструкции Как обшить полукруглый навес поликарбонатом
Маркизы из поликарбонатаможно использовать для самых разных нужд.Это навесные козырьки над балконом и крыльцом; крытая стоянка для автомобилей и сельхозтехники; крытые переходы между домом и баней, летняя кухня, навесы и т.д.
В данной статье будут рассмотрены разные виды навесов для дома из поликарбоната, особенности выбора материалов для каркаса, расчеты построек. Также вы найдете здесь пошаговое руководство по возведению конструкции на основе металлического профиля.
Виды, расчет и конструкция навесов, выбор материала каркаса
Самые популярные варианты козырьков и козырьков из поликарбоната – арочные, каскадные, одно- и двухскатные.Все они имеют свои преимущества и недостатки.
Арочные конструкции
Арочные козырьки из поликарбоната во дворе сегодня считаются самыми популярными, особенно для организации парковок и галерей между домом и хозяйственными постройками.
- Полукруглая форма крыши предотвращает скопление снега на крыше.
- Во время дождя вода сливается только с двух сторон.
- Из-за того, что боковые стенки обращены вниз, вероятность повреждения купола ветром довольно низкая.
- Арочная конструкция одинаково хорошо подходит и для небольшого навеса над крыльцом, и для вместительной парковки на несколько автомобилей.
У арочного навеса из поликарбоната есть один недостаток – если делать его своими руками, то можно столкнуться с проблемой изгиба профилей.
Арочный навес из поликарбоната: на фото крытая автостоянка
Каскадная система
Каскадные навесы представляют собой, по сути, систему из нескольких арок. Эту конструкцию выбирают для установки над лестничными клетками, где уклон кровли очень большой.На это есть две причины:
- В дождь с прочной арочной крыши, расположенной под крутым углом, в пространство перед первыми ступенями льется вода, попадая на входящие.
При каскадном расположении кровельных элементов вода уходит в стороны. - Эстетическая сторона вопроса. Несколько каскадных арочных навесов из поликарбоната смотрятся намного интереснее, чем один сплошной, направленный вниз.
Недостатками такой системы являются сложность конструкции, большие временные и материальные затраты.
Арочный навес из поликарбоната пристроенный к дому: фото трехступенчатой системы
Односкатная крыша
Односкатный навес из поликарбоната самый простой вариант постройки:
- Изгибание профилей не требуется, как в случае с арочными крышами.
- Сгибание поликарбонатных листов не требуется. Соответственно, вы не ограничены в выборе толщины кровельного материала.
- При строительстве можно обойтись без использования ферм, достаточно будет только продольных и поперечных балок.
Односкатные конструкции часто используются при креплении навеса к стене дома или гаража. Недостаток – небольшой уклон крыши, зимой на ней будет скапливаться снег.
Деревянный навес из поликарбоната: фото односкатной конструкции
Двускатный навес
По конструкции немного сложнее односкатного, так как требует сближения двух скатов под определенным углом . Однако в эксплуатации такая постройка более удобна:
- Опущенные с двух сторон скаты обеспечивают лучшую защиту от ветра и осадков по сравнению с одним скатом.
- Угол наклона крыши здесь больше, а значит зимой на ней будет меньше скапливаться снег.
- Каркас двускатной крыши получается жестким, за счет чего хорошо противостоит ветровым нагрузкам.
Двускатный навес из поликарбоната может использоваться для различных целей: для стоянок, мангалов, барбекю-печей, веранд, беседок между хозяйственными постройками.
Двускатная крыша над печью-барбекю
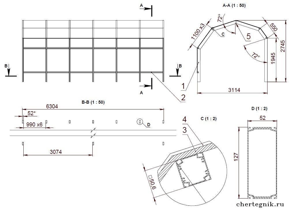
Расчет и проектирование навеса из поликарбоната
Еще на этапе создания проекта, прежде чем приступить к расчету навеса из поликарбоната из профильной трубы, необходимо выяснить для себя следующее :
- Размеры и расположение будущего здания.

- Ветровые и снеговые нагрузки – эти параметры влияют на форму конструкции крыши.
- Дизайн частного дома и хозяйственных построек – от этого зависит выбор конструкции каркаса и цвета листов поликарбоната.
- Спецификации доступных/желаемых строительных материалов.
Вооружившись этой информацией, приступаем к расчету и составлению чертежа навеса из поликарбоната. Здесь мы уже точно указываем: размеры здания и форму крыши; технические характеристики материала опор, каркаса и крыши; количество и характер креплений.
Примечание: при определении особенностей каркаса конструкции следует учитывать, что поликарбонат выпускается в листах стандартных размеров. Их стыки обязательно должны приходиться на поперечные профили – обрешетку.Как сделать навес из поликарбоната: ширина прогонов между профилями обрешетки зависит от параметров кровельного материала
А теперь о высоте навесов из поликарбоната. В принципе, это может быть что угодно – все зависит от ваших потребностей и пожеланий.
Однако для комфортного использования здания будет лучше, если самая нижняя точка его крыши будет находиться на высоте не менее 180 см от земли.
Параметры опорных стоек для изготовления навесов и козырьков из поликарбоната необходимо рассчитывать исходя из следующих цифр:
- Минимальное сечение 40х40 мм.
- Толщина металла — от 1 мм.
- Толщина фундаментных стоек должна превышать поперечное сечение стоек не менее чем на 10 мм.
- Рекомендуемая глубина фундаментных отверстий от 50 см.
- Для боковин стропильных ферм берут профиль сечением от 20 мм, для диагональных сеток — от 15 мм.
Как сделать навес из поликарбоната своими руками: чертежи должны быть очень подробными
Примечание: Проектирование конструкций площадью от 8 м 2 и более лучше доверить специалистам. Площадь кровли здесь будет большой, а значит, здесь нужно будет точно рассчитать уровень снеговой и ветровой нагрузки.Ошибки могут привести к деформации или обрушению здания.
Выбор материала для каркаса
Обычно для изготовления навесов из поликарбоната берутся следующие материалы:
- Металлопрофиль. Прочный, простой в монтаже и неприхотливый в эксплуатации. Техническое обслуживание требует минимального – только своевременная обработка антикоррозийными средствами. Недостатки – большой вес конструкции и высокая цена.
- Металлические трубы. Преимущества те же, что и у металлического профиля.Единственное, круглая форма в сечении не так удобна для сварки и других видов крепежа.
- Древесина — профилированный или рядовой брус, оцилиндрованное бревно. Красивый, живой материал, подойдет, если балдахин нужно под что-то стилизовать. При строительстве деревянного сарая из поликарбоната своими руками потребуются определенные навыки столярного дела.
Деревянный каркас
Конструкция навеса из поликарбоната своими руками
Самая длинная часть конструкции – это создание фундамента.Сам каркас и крепление к нему кровельных листов займут максимум полтора рабочих дня.
Установка опорных столбов и установка анкеровки
Опорные столбы устанавливаем следующим образом:
- Выкапываем ямы под фундамент — глубиной 50 см и диаметром 30 см.
- Устанавливаем внутрь арматурный каркас.
- Засыпать ямы цементно-песчаной (3/1) смесью, накрыть целлофаном и оставить застывать на несколько дней.
- Крепим опоры к фундаменту анкерами.
Бетонирование опор
Обвязываем опоры по вершинам одинарным брусом, тогда на него будет опираться лицевая часть навеса. Такую перевязку лучше делать из квадратного или прямоугольного профиля. Использование круглой трубы здесь нежелательно, так как площадь соприкосновения элементов при сварке будет слишком мала.
Навес из поликарбоната пристроенный к дому: на фото показано расположение передних опор
Примечание: крепление навеса к стене осуществляется по балке, прикрепленной к поверхности анкерными болтами.На нужной высоте, ориентируясь на строительный уровень, отмечаем линию, по которой затем сверлятся отверстия для крепежа.
Далее прикручиваем балку к стене, хорошо затянув болты.Делаем навес к дому из поликарбоната: на фото этап монтажа обвязки
Изгибаем профиль для каркаса крыши
Если навес из поликарбоната для дачи будет иметь арочную крышу, то делаем придется подумать, как согнуть профилированную трубу.Это можно сделать несколькими способами:
- С помощью трубогибочного станка. Стоит такое устройство дорого, и покупать его только из-за конструкции навеса нет смысла.
- Разрезав трубу (6-8 мм) и согнув ее в обратном направлении. Затем разрезы закрываются металлическими «заплатками».
- Ручная гибка предварительно нагретого профиля. Чтобы предотвратить сплющивание трубы, перед работой внутрь утрамбовывается песок.
Ручной трубогибочный станок
Сварка каркаса навеса
Сварку каркаса начинаем со сборки ферм.Делается это на земле, с обязательным использованием строительного уровня. Приваривать диагональные рейки к параллельным профилям начинаем с краев, постепенно продвигаясь к центру.
Работу значительно облегчат магниты для сварки – ими хорошо выставлять углы между деталями.
В следующем видео вы можете увидеть, как используются сварочные магниты.
Готовые поликарбонатные фермы навеса кладем на обвязку и на опору передней части. Наживляем точечно, а потом привариваем.Все элементы должны стоять строго вертикально, поэтому после наживки проверяем правильность установки строительным уровнем. При необходимости немного подкорректируйте расположение кувалдой.
Навес пристроенный к дому, из поликарбоната: фото монтажа стропильных ферм
Поперек стропильных ферм варим прогоны из тонкого прямоугольного профиля. Расстояние между деталями от 50 до 60 см.
Установка прогонов
Далее приступаем к установке боковин.Привариваем отрезки профиля к основаниям крайних ферм и крепим их по всей длине к стенам. От нижних краев сегментов до концов ферм натягиваем и привариваем профили одинаковой толщины. делаем пару поперечных перемычек.
Как это выглядит, вы можете увидеть на следующем фото. Каркас готов, можно приступать к установке поликарбоната.
Боковины
Крепление сотового поликарбоната к каркасу
А теперь о том, как крепить поликарбонат к металлическому каркасу маркизы.Монтаж осуществляется с помощью специальных креплений – термошайб. Они состоят из уплотнительных и пластиковых шайб, а также заглушек к ним. Все это стягивается обычными саморезами. Особое внимание следует обратить на три момента:
- Строгая вертикальность вкручивания саморезов.
- Умеренная затяжка креплений. Недостаточный не обеспечит надлежащего качества монтажа, а чрезмерный может привести к повреждению поверхности материала.
- От срезов листа до границ отверстия под саморез должно быть не менее 4 см.
- Отверстие под саморез должно быть на 2-3 мм больше диаметра последнего.
Клей на защитной пленке нагревается и образует очень прочное сцепление с поверхностью. В результате снять пленку будет очень сложно.Как правильно крепить поликарбонат к навесу: необходимо использовать специальные термошайбы
Кроме термошайб при монтаже поликарбоната используются следующие фитинги:
- Разъемный профиль.Используется для соединения двух листов материала вместе. Состоит из основания и крышки – основание крепится к раме саморезами, а крышка крепится к ней с помощью специального замка.
- Торцевой профиль и перфолента. Они используются для чистовой резки листов поликарбоната. Сначала по всей их длине наклеивается перфолента, а затем на нее закрепляется торцевой профиль.

Дополнительная фурнитура
Двор частного жилого или загородного дома со временем обрастает упрощающими жизнь хозяев хозяйственными постройками, строительство которых, как правило, происходит своими руками. Навес сарая с покрытием из поликарбоната представляет собой простую конструкцию, которая может служить беседкой, местом для хранения дров, обслуживания автомобиля и других хозяйственных нужд.Поликарбонат придает зданиям современный привлекательный вид, не требуя финансовых вложений и сложного обслуживания. Эта статья расскажет, как рассчитать, выполнить чертежи односкатного навеса из этого недорогого материала.
Поликарбонат— современный высокотехнологичный материал на основе полимерного пластика с ячеистой структурой. Этот материал пропускает свет, позволяет получать бесцветные, цветные и узорчатые изделия. Отличным будет и гараж, пристроенный к дому, или отдельно стоящее строение.Этот материал завоевал популярность благодаря следующим качествам:
Внимание! Опытные мастера отмечают прекрасную звукоизоляционную способность этого материала, благодаря которой даже в самый сильный ливень звук капель не мешает разговору и звучит тихо.
Качественный поликарбонат имеет срок службы до 25 лет.
Дизайн
Конструкция навеса сарая достаточно проста для монтажа своими руками. Состоит из опорных стоек, стропильных ферм, обрешетки и собственно поликарбонатного покрытия. В строительных магазинах продаются готовые наборы для самостоятельной сборки, однако рассчитать и сделать чертежи самостоятельно не намного сложнее. В процессе создания проекта учитываются следующие факторы:
Важно! Стропильные фермы односкатного навеса представляют собой треугольную конструкцию, основание которой равно ширине навеса, а гипотенуза соответствует длине ската. Для защиты листа поликарбоната от повреждений и прогиба сооружают обрешетку, шаг которой не превышает 40-50 см.
Процесс установки
Монтаж односкатного навеса из поликарбоната своими руками занимает не более 1 дня, его может выполнить один рабочий, однако помощь в этом деле не помешает.
Для сборки понадобится стандартный набор инструментов, в который входит сварочный аппарат, шуруповерт, ножовка по металлу или болгарка. Процесс строительства выглядит следующим образом:
Важно! Все швы на каркасе навеса, оставшиеся после сварки, зачищаются своими руками, затем грунтуются.Металлические детали покрыты прочной краской для дополнительной защиты от коррозии. Края карбоната проклеены армированным скотчем.
Видеоинструкция
В последнее время все чаще владельцы частных домовладений стали дополнять свой дом таким элементом, как навес из поликарбоната. Эта конструкция выполняет сразу несколько функций. Одним из них является защита части двора от осадков и других атмосферных факторов. Кроме того, навес, пристроенный к дому, является еще и элементом, выполняющим эстетическую функцию.
О внешнем виде навеса из поликарбоната, пристроенного к дому, фото из интернета позволят составить наглядное представление.
В его создании важную роль играют опоры, которые выводятся на необходимую высоту, тем самым обеспечивая комфорт владельца при перемещении под навесом. Достаточно иметь свободное время и желание взять в руки молоток, чтобы построить такую конструкцию своими руками.
Типы навесных конструкций из поликарбоната
Независимо от того, находится ли навес отдельно от частного дома или примыкает к нему, образуя единое целое, ко всем конструкциям относится одно и то же правило: возводимый объект должен хорошо гармонировать с архитектурными формами здания и не нарушают гармонию, созданную на ландшафтном участке.дизайн. Навесы, пристроенные к дому, поддерживаются стойками. Одна их сторона примыкает к стене дома или гаража. На данный момент существует несколько видов таких конструкций:
Маркизы из поликарбоната: преимущества
Сараи, пристроенные к частному дому, сейчас невероятно популярны. Многие домовладельцы решают построить такое сооружение. В то же время они вызваны разными причинами.
Некоторые хотят, чтобы преобразил ваш дом и сделал его более красивым.Другим нужна защита от непогоды, а кроме этого место для комфортного отдыха в свободное от работы время. Стоит сказать, что конструкции из поликарбоната имеют ряд преимуществ. Среди них следует отметить следующие:
Таким образом, можно сказать, что конструкции из поликарбоната доступны по цене и просты в строительстве. При желании его устройство в доме можно осуществить с минимальными затратами, если вы решите провести работы самостоятельно. В этом случае вы получаете недорогой объект, который будет служить вам долгое время, радуя своим эстетичным видом.
Как сделать навес из поликарбоната своими руками: инструкция
Для того чтобы создать навес из поликарбоната придомовой своими руками, необходимо хорошо подготовиться к этому важному мероприятию. В первую очередь стоит подумать об инструментах и материалах, которые потребуются вам в процессе работы.
Материалы (редактирование)
Если вы хотите создать надежную конструкцию, которая будет радовать вас своим внешним видом и служить долго, то вам необходимо заранее произвести расчеты материала для вашей конструкции.
Для выполнения работ Вам потребуется:
Инструменты
Эффективная и быстрая работа по возведению конструкции из поликарбоната невозможна без современного инструмента. Перед началом строительства необходимо подготовить:
- сварочный аппарат; отвертка
- ; циркулярная пила
- с комплектом дисков; электролобзик
- ;
- уровень; Лопата
- .
Расчеты
Довольно часто владельцы отказываются приглашать профессиональных специалистов для создания пристроенного к дому навеса из поликарбоната.В какой-то момент у них появляется сильное желание сделать эту работу своими руками. Чтобы в итоге после выполнения всех манипуляций на вашем участке появился объект, который стал бы для вас предметом гордости, нужно основательно подготовиться к этой ответственной работе.
Для начала стоит посмотреть, как выглядит конструкция из поликарбоната, созданная руками умельцев. В этом вам помогут фото из интернета.
Если вы не в курсе операций, которые выполняются при возведении данной конструкции, последовательности их выполнения, то стоит прочитать с видео по возведению объекта из поликарбоната.Тогда у вас отпадут многие вопросы. Знакомясь с навесами из поликарбоната, чертежи также заслуживают внимания. Чтобы избежать лишней работы, можно воспользоваться готовым чертежом из интернета.
Перед началом работ необходимо создать проект, в который должны быть включены эскизы будущей конструкции. Последний должен продемонстрировать, какой должна получиться пристроенная к вашему дому конструкция после завершения всех работ. Если вы не хотите использовать чертеж конструкции, уже созданный кем-то, вы можете создать свой собственный уникальный чертеж с учетом размеров вашего дома на основе требований вашего навеса.Все размеры будущей конструкции необходимо внести в чертеж. Именно на них и придется ориентироваться при расчете количества материалов.
Монтаж конструкций
Начать строительство конструкции стоит с разметки участка. Когда вы это сделали, необходимо выкопать углубления, длина которых может варьироваться от 0,5 до 1,5 м. Монтаж выполнен каркасных стоек. Глубина ям для стоек во многом будет зависеть от того, какой высоты будет навес.В траншею устанавливаются детали, с помощью которых будут фиксироваться стойки каркаса. Затем их необходимо залить бетоном.
Далее необходимо снять грунт по всему участку на глубину 15–20 см. После завершения этого мероприятия устраивается подушка. Люди, которые уже занимались строительством, знают, что для его создания необходимо использовать песок и щебень. Когда он будет готов, его следует тщательно утрамбовать.
После этого проводятся работы по укладке финишного покрытия в виде газонной решетки или тротуара.Иногда в целях экономии просто устраивают бетонную стяжку. При создании каркаса для навеса, примыкающего к дому, фото и видео инструкции помогут избежать ошибок. Часто при строительстве используют тот же материал, что использовался при создании других зданий.
Основой для создания каркаса вашего навеса могут стать деревянные опоры или заготовки из стали или алюминия.
Монтаж листов поликарбоната
При создании навеса, пристроенного к дому, необходимо серьезно подойти к выбору поликарбоната.При подборе листов обратите внимание на толщину панелей . Этого должно быть достаточно. В этом случае в процессе эксплуатации созданный вами навес легко выдержит любые нагрузки и, кроме того, порадует вас долгим сроком службы.
Первый шаг — решить, где вы будете устанавливать массивные листы. Исходя из этого момента, в дальнейшем необходимо подбирать стыки вырезанных деталей. Для крепления листов поликарбоната используйте специальные шайбы или саморезы.
Использование шайб необходимо для предотвращения проникновения влаги через отверстия в листах. Закреплять их следует достаточно надежно, при этом во время этой работы следует следить за укладкой материалов. Листы должны быть уложены ровно, без перекосов.
Особенность поликарбоната в том, что он обладает хорошей гибкостью, поэтому материал достаточно легко может принять нужную вам форму.
Не беспокойтесь о том, что согнув лист, он может сломаться в том месте, где изгиб не предусмотрен.
Стыковка листов друг к другу должна выполняться с помощью специальных соединительных элементов. Их можно легко приобрести в магазине строительных материалов. По своему внешнему виду они представляют собой полоски, которые изготовлены из пластика и имеют канавку с обеих сторон. Такие элементы предназначены для ввода отдельных листов поликарбоната. Прибегать к их использованию стоит в тех случаях, когда возникает необходимость скрыть шов.
При установке листов поликарбоната необходимо обеспечить минимальный зазор для каждого листа.В этом случае при тепловом расширении будет исключена деформация поликарбоната. Кроме того, необходимо закрывать все торцы материала, так как через них может проникнуть грязь, которая испортит внешний вид вашего навеса.
Заключение
В настоящее время навес из поликарбоната является незаменимым элементом любого загородного дома.
Это функциональная конструкция, позволяющая спрятаться от непогоды и сделать дом привлекательным. Если вы желаете преобразить свой дом , то выбор в пользу такой конструкции – правильное решение.Вы легко сможете построить его самостоятельно, так как технология возведения таких конструкций достаточно проста. Необходимо только создать проект, подготовить эскизы и чертежи. И можно приступать к работе.
Фото навесов из поликарбоната, пристроенных к дому, позволят вам определиться, какую именно конструкцию вы хотите видеть на своем участке. Если вы никогда не занимались возведением таких конструкций, то ознакомление с видео-инструкцией позволит вам понять, как происходит их возведение.Научившись строить навес своими руками, в дальнейшем вы легко сможете реализовать свое желание, не допустив ошибок.
Какой навес построить — все зависит от вашего желания. Простой вариант – односкатная конструкция. Если вы хотите добавить оригинальности внешнему виду своего дома, то вам стоит выбрать арочную конструкцию.
Используя качественные материалы и не отступая от инструкций по строительству объекта из поликарбоната, в итоге можно получить красивый элемент, пристроенный к вашему дому.Он украсит ваш частный дом и добавит изюминку в ландшафтный дизайн. Вместе с навесом на вашем участке появится место, в котором вы сможете укрыться от непогоды. Его также можно использовать для отдыха в свободное от работы время.
Если вам необходимо соорудить защиту от солнца, то лучше всего выбрать арочный навес из поликарбоната. Небольшой вес и умеренные затраты на его обустройство делают арочную схему самой популярной из всех. Арочную систему по праву причисляют к классическим способам компоновки, доказавшим свою надежность и долговечность.
Особенности арочных конструкций из поликарбоната
Этот тип навеса нельзя строить и размещать произвольным образом; как минимум потребуется предварительный расчет и испытание на прочность. Это усложняет работу с листовым поликарбонатом и несущим каркасом, но в целом возведение арочного навеса не представляет особой проблемы для всех, кто умеет работать со сваркой хотя бы на любительском уровне.
Секрет популярности таких маркиз заключается в использовании двух основных элементов:
- Несущая балка арочного типа.Благодаря сложной криволинейной поверхности навес достаточно прочен, чтобы выдерживать значительные вертикальные и горизонтальные нагрузки;
- Кровля из поликарбоната. Материал достаточно прочен и одновременно гибок, чтобы противостоять порывам ветра и давлению снега.
Поликарбонат, благодаря высокой прозрачности, обеспечивает достаточное количество солнечного света; под арочным навесом можно без проблем работать даже в вечерних сумерках или в непогоду, не прибегая к электрическому освещению.
Для информации! Навес из поликарбоната прекрасно фильтрует практически весь ультрафиолет солнечных лучей, поэтому под арочной крышей можно без вреда для здоровья находиться неограниченное время.
Кроме того, арочные навесы из поликарбоната, фото, намного красивее и даже эффектнее конструкций с металлической кровлей, например, профнастилом, особенно шифером.
Помимо эстетики и дизайна, навес из листового поликарбоната считается гораздо более безопасным.Даже если ветер сорвет легкий прозрачный пластик, что крайне маловероятно, опасности для людей под арочной крышей нет и быть не может. Шифер и металлический лист в такой ситуации представляют определенную угрозу.
Поликарбонат имеет два неотъемлемых недостатка. Во-первых, швы на линии стыковки листов необходимо закрывать арочными алюминиевыми накладками, а во-вторых, пластик значительно проигрывает во внешнем виде и, главное, в прочности при незначительном повреждении защитной пленки.
Области применения арочных навесов из поликарбоната
Вариантов возможного использования арочных конструкций огромное количество. Раньше в домашних сараях использовались арки и арки, куски и детали от промышленных ферм и плит, либо изготовленные вручную с помощью наковальни, пары металлических шаблонов и тяжелой кувалды.
С появлением трубогибочных станков, как электрических, так и ручных, изготовление арочных деталей навеса вообще перестало быть проблемой.
Ферма навеса из поликарбоната может быть изготовлена любого размера, формы и конфигурации.
Арочный навес во дворе
Устройство навеса идеально подходит в качестве места хранения на открытой площадке автомобилей и автотранспорта, материальных ценностей, которым противопоказана влага и требуется постоянное проветривание. Арочный навес из поликарбоната для автомобиля обеспечивает качество хранения техники, на уровне отапливаемого и вентилируемого гаража, и в первую очередь за счет прозрачной крыши и сквозняка.
Арочный навес можно рекомендовать для защиты входных дверей, особенно для зданий, в которых вход в дом расположен не в центре фасада, а смещен в сторону угла. Обычно в такой ситуации крышу над крыльцом изрядно колышет от порывов ветра, поэтому применение прочной и жесткой арочной конструкции козырька обеспечит необходимую прочность и надежность.
Кроме того, арочная конструкция ферм выдерживает любую толщину снега, а прозрачный поликарбонат хорошо прогревается на солнце и быстро освобождается от льда и снежной шапки.
В солнечную погоду любая влага и вода, попадающие под навес, высыхают так же быстро, как и на открытом пространстве.
Крыши и навесы из поликарбоната в садоводстве
Арки из поликарбоната считаются наиболее удачной формой крыши для строительства теплицы для рассады или теплиц на приусадебном участке. Причины те же – высокая устойчивость арочной конструкции к порывам ветра и хорошая теплоизоляция поликарбоната.
Простейшую теплицу можно построить из алюминиевых гимнастических колец, используемых в качестве спортивного снаряда.Трубчатое алюминиевое кольцо разрезается и сгибается в дугу. Каркас или основание для теплицы спаивается из полипропиленовых водопроводных труб, готовые дуги просто вставляются в впаянные гильзы или просверленные отверстия. Кровлю из сотового поликарбоната чаще всего делают съемной. Это удобно в случае использования конструкции в качестве теплицы. Вырезанный в размер лист поликарбоната просто укладывается поверх алюминиевых дуг и закрепляется накладками.
Монтаж арочной теплицы из поликарбоната можно выполнять на кирпичную или цементно-песчаную плитку, выложенную на поверхность земли.С повышением температуры и наступлением теплых дней нижний край поликарбоната расшатывают и приподнимают, обеспечивая вентиляцию и нормальный приток воздуха в теплицу.
На базе арочного навеса можно построить полноценную зимнюю теплицу в полный рост. Использование поликарбоната позволит сократить расходы на обогрев помещения примерно на 40% по сравнению со стеклянными и пленочными конструкциями.
Чертежи арочных навесов из поликарбоната
Перед поиском материалов и подготовкой основания под опоры необходимо определиться с формой и общей компоновкой арки.Только тогда можно будет наметить эскизы и, возможно, даже сделать чертежи арочного навеса из поликарбоната своими руками.
Составлять устройство балок и ферм на бумаге необходимо по двум причинам:
- Упрощает составление сметы на количество необходимых материалов.
Большинство геометрических и линейных расчетов арочного навеса просто невозможно выполнить без чертежа или хотя бы эскиза; - Перед сборкой всегда выполняется проверочный расчет на устойчивость и жесткость, а иногда необходимо уточнить способ соединения или размеры ступени обшивки.
Совет! Все основные сведения о деталях и способе сборки конструкции, особенно нюансы крепления поликарбоната к несущей обрешетке навеса, должны быть указаны непосредственно на чертеже арочного навеса.
Такой подход является общепринятым и значительно упростит работу или общение, особенно если вам предстоит строить арочный навес в компании друзей, помощников или коллектива сотрудников.
Вариант арочного навеса для теплицы
Если в доме есть трубогибочный станок и сварочный инвертор, то в качестве первого опыта можно построить небольшой парник для выращивания овощей или рассады.В качестве основного материала лучше всего использовать водопроводную трубу ½”.
Совет! Обычно несущие элементы арочного навеса — арки и контрарки делают из квадратной трубы сечением 20х20 мм и более, но для небольшой теплицы 2,5х5 м использование квадрата избыточно как по прочности, так и в цене.
Кроме того, гнуть арки малого радиуса на трубогибочном станке очень сложно даже профессионалу. При этом, чем тоньше водопровод, тем проще получить необходимую кривизну навеса крыши.Согнуть заготовку квадратного профиля так, чтобы дуга осталась ровной и не превратилась в спираль, далеко не так просто, как может показаться на первый взгляд.
Простая конструкция арочной теплицы не требует особых расчетов, нужно будет только нарезать поликарбонатные листы так, чтобы края находили на дуги внахлест. Нижнюю часть рамы и поперечины можно сделать из бруса полипропиленовой трубы или квадрата.
Арочные навесы для двора
Более сложный вариант навеса с крышей из поликарбоната 6х3 м показан на схеме — чертеже ниже.В отличие от тепличной крыши, в предыдущем случае арочные дуги выполняются не в виде полукружий, а в виде двойных ферм малой кривизны. В результате крыша получается проще и легче в изготовлении.
Арочный навес устанавливается на восемь вертикальных стоек из трубы квадратного сечения 60х60 мм.
Общий вес кровли с учетом обрешетки под поликарбонат составляет около 300 кг, поэтому для удержания навеса стойки стягивают бетонной плитой и закапывают в землю на глубину 1 м.Площадь поверхности, укрываемая арочной крышей от дождя и снега, составляет 15 м 2 .
Преимуществом данной схемы является использование в арочной кровле несущих ферм с равной кривизной дуги. Такое решение позволяет устанавливать навесы с кровлей из поликарбоната практически на открытом пространстве, жесткость пролетов в поперечном горизонтальном направлении будет достаточной, чтобы выдерживать порывы ветра до 30 м/с.
В том случае, если во дворе строится арочный навес, например, на участке между стеной дома и бетонным забором, то каркас крыши с обрешеткой под поликарбонат можно упростить, как на чертеже ниже.
В данном случае вместо ферм использованы арочные элементы из стальной профильной трубы 70х30 мм, а вместо традиционного сотового поликарбоната уложен монолитный материал. В результате при условии защиты от ветра арочная конструкция крыши получается более легкой, но не менее прочной и жесткой, чем в случае укладки поликарбоната на фермы.
Расчет арочного навеса из поликарбоната
Одним из наиболее проблемных вопросов, связанных с устройством навесов и крыш, является расчет прочности и жесткости арок или несущих ферм.Для хозяйственных построек, размеры которых не превышают указанных на чертежах и схемах, особой необходимости в расчете ферм арочных навесов из поликарбоната нет. Запаса прочности в любом направлении нагрузки более чем достаточно, чтобы конструкция не разрушилась и не деформировалась даже при удвоенной максимальной скорости снегопада.
Расчет геометрии
Как правило, для самодеятельных конструкций арочных навесов, балок и металлопроката с сечением профиля заведомо больше, чем требуется из расчета оптимизации несущей способности.
Например, можно использовать параметры фермы длиной 3 м из профиля 30х30 мм, используемого в навесе арки 6х3 м выше. Одна трехметровая нить выдерживает 50 кг распределенной нагрузки. Ферма из двух прядей с диагональными стойками выдерживает более 450 кг распределенной нагрузки.
Если посмотреть на схему распределения нагрузки на арочную конструкцию, то становится понятно, что 50% снежного покрова, расположенного в центральной части кровли, будет давить на ферму.Поэтому в реальности арка легко выдержит до 600 кг нагрузки или 2400 кг по всей покрытой поликарбонатом площади.
Чем больше кривизна дуги, тем больше запас прочности. Поэтому расчет арочного навеса обычно выполняют по линейным размерам с помощью геометрического построения на схеме или с помощью специализированных программ.
На что нужно обратить внимание
В первую очередь нужно помнить, что нельзя просто заменить стропильную конструкцию на обычную дугу, согнутую из квадратного металлического профиля.
Под нагрузкой дуга оказывает давление на опоры не только в вертикальном, но и в горизонтальном направлении. В результате вертикальные стойки, удерживающие арочную крышу, могут выдавливаться в стороны. Чтобы избежать такой ситуации, опоры необходимо связать горизонтальной перекладиной.
Арочные навесы имеют существенный недостаток, связанный с тем, что кровля устанавливается на относительно высокие и тонкие опоры. Чтобы избежать раскачивания или опрокидывания, вершины стоек связывают распорками или дополнительными раскосами.Это особенно важно при использовании листов поликарбоната в качестве покрытия.
Если при небольших деформациях арки металлическая кровля практически никогда не отслаивается, то при деформации каркаса под поликарбонатом пластиковое покрытие может сорвать с креплений.
Подбор материалов и подготовительные работы
Для изготовления навеса в первую очередь потребуется приобрести качественный поликарбонат. Лучше всего для кровли подходит ячеистый материал толщиной 8-10 мм.Листы 10-12 мм сложнее согнуть по обрешетке, лист тоньше 8 мм недостаточно прочен, чтобы выдержать нагрузку от снежного покрова.
Для строительства ферм используется квадрат 30х30х2 мм без защитного покрытия. Для боковых сборок покупают квадратную трубу 25х25 мм; для обрешетки лучше всего подойдет профиль 30х15 мм или 30х20 мм.
На столбы арочного навеса можно использовать квадрат 60 мм или двухдюймовую трубу.
Перед началом работ необходимо спланировать площадку, убрать дерн на глубину 20 см, засыпать песком слой мелкого отсева.По разметке опор арочного навеса в земле бурят буром отверстия диаметром 30 см и глубиной 100 см. Для опор вырезаются стойки по 2,45 м, обрабатываются антикором и просушиваются.
Как сделать арочный навес из поликарбоната своими руками
После завершения подготовки необходимо произвести бетонирование опор и всей площадки под будущий навес. В первую очередь в ямы устанавливаются четыре угловые стойки, обычно заготовку обрезают с запасом 50 мм, чтобы можно было выровнять оголовки опор в одной горизонтальной плоскости.
Изначально опоры для кровли из поликарбоната выравниваются и фиксируются кусками битого кирпича, заливаются бетоном. Далее натягиваются шнуры и вдоль них размещаются оставшиеся четыре стойки. Если размеры арочной крыши из поликарбоната больше 3х6 м, то опоры лучше связать на уровне цоколя обычным уголком.
Изготовление стропильных ферм лучше всего доверить опытному сварщику, здесь нужна точность, любое отклонение от плоскости приведет к смятию поликарбоната.Вес каждой фермы более 20 кг, поэтому устанавливать их на опоры придется бригаде из трех человек. Прогоны можно установить самостоятельно.
Самым простым является укладка поликарбоната. Листы фиксируются на термокомпенсирующих шайбах с зазором в местах стыков не менее 3 мм, линия шва должна быть закрыта алюминиевой пластиной с силиконовым уплотнителем.
Чтобы арочный навес был максимально прочным, без скрипов и просадок кровли, надрывов и деформации листов поликарбоната, необходимо особое внимание уделить способу соединения деталей.Все элементы кровли, столбы, ригели, арки и подкосы в процессе сборки должны соединяться друг с другом в два прохода.
Изначально собираем каркас на метизах, болтах, гайках и заклепках. После укладки поликарбоната конструкция должна простоять несколько дней, за этот период арочный навес как бы оседает, все элементы под нагрузкой принимают оптимальное положение.
Кроме того, остается возможность исправить брак, если таковой был допущен.
Через два-три дня все стыки и соединения свариваются электросваркой.Фурнитура может быть удалена, но чаще всего ее оставляют, что позволяет сделать арочный навес из поликарбоната более надежным, жестким и гибким одновременно.
Заключение
Арочный навес из поликарбоната имеет красивый дизайн и стиль. Его можно легко перестроить или дополнить, сделать из прозрачных монолитных поликарбонатных вставок или оснастить ламелями. Несколько оконных жалюзи, уложенных под поликарбонатной крышей, позволяют плавно регулировать световой поток и тем самым создают зону повышенного комфорта.
Оригинальные козырьки, просторные беседки и светопрозрачные козырьки сегодня украшают дворы многих районов. Здания, отделанные современным строительным материалом – поликарбонатом, выглядят очень привлекательно, гармонично вписываясь в архитектурный ансамбль. Владельцы частных домов все чаще обустраивают навесы из поликарбоната своими руками, создавая живописные арочные конструкции.
Полуматовые и прозрачные навесы из цветной полимерной основы, помимо своего прямого назначения, становятся эффектным украшением парадной, детской площадки или патио.
– универсальный кровельный материал. Выступая достойной альтернативой дереву, стеклу или металлу, он служит основой для конструкции навесов, которые довольно широко применяются в загородном строительстве.
Вариант №1 — навес над балконом
Оборудовав балкон пластиковым прозрачным навесом, свободно пропускающим солнечные лучи, можно создать настоящую оранжерею, которая будет украшать дом в течение всего года.
Устройство навеса из поликарбоната защитит стены дома и пристроенную к нему площадку от развития плесени и грибка и продлит срок службы деревянных элементов здания
Вариант №2 — навес
Достаточно жесткие конструкции способны выдерживать сильные порывы ветра, полупрозрачная крыша создает небольшую тень.
Прямоугольные и арочные козырьки способны отлично защитить автомобиль не только от снега и дождя, но и от других внешних факторов, оказывающих негативное воздействие
Вариант №3 — навес для беседки или патио
Поликарбонат идеален в качестве кровельного материала для обустройства беседки, крытой зоны отдыха или барбекю.
Полуматовая или прозрачная крыша даст рассеянную тень, благодаря чему внутри беседки будет создано слегка приглушенное интересное освещение
Вариант №4 — навес над крыльцом
Благодаря большому разнообразию цветовой палитры поликарбоната и особой структуре материала, легко принимающего любую форму, всегда можно создать конструкцию, идеально вписывающуюся в архитектурную композицию существующего здания.
Красиво оформленный навес защитит фасадную часть дома и прилегающую веранду с крыльцом от палящих солнечных лучей в летние месяцы и непогоды в холодное время года
Выбор материала для строительства навеса
В загородном строительстве чаще всего для обустройства навесов используют сотовый поликарбонат. Прочные панели, состоящие из нескольких слоев пластика, соединенных между собой с помощью вертикальных ребер жесткости, обладают отличными качественными характеристиками.Помимо того, что они имеют эстетичный вид, поликарбонатные панели достаточно легко монтируются и гнуться, принимая арочную форму.
Благодаря особой структуре материала поликарбонат способен защитить от негативного воздействия УФ-излучения.
При выборе материала для обустройства сарая следует руководствоваться прежде всего назначением и типом будущей постройки.
При расчете навеса из поликарбоната необходимо учитывать: ветровую и снеговую нагрузку, шаг обрешетки и радиус изгиба
Грамотный расчет предотвратит лишние затраты: приобретая слишком тонкие листы, потребуется более частый шаг обрешетки, в то же время установка максимально прочных панелей также повлечет за собой дополнительные затраты.
При выборе поликарбонатных панелей необходимо учитывать толщину материала:
- Панели толщиной 4 мм предназначены для строительства теплиц и теплиц.
- Сотовые панели толщиной 6-8 мм предназначены для возведения перегородок, навесов, козырьков и крыш.
- Шумоизоляция возводится из листов толщиной 10 мм, применяется для устройства вертикальных поверхностей.

- Самые толстые панели толщиной 16 мм отличаются повышенной прочностью.Их используют для кровли больших площадей.
Палитра оттенков сотового поликарбоната достаточно широка, что позволяет выбрать тот вариант, который лучше всего подходит для обустройства конкретного здания.
Зеленые и синие полупрозрачные пластиковые панели украсят навес над бассейном. Коричневые и вишневые оттенки навеса дополнят живописную картину утопающих в зелени построек.
Основные этапы обустройства навеса
Определившись с местом расположения строительной конструкции, следует разработать проект сарая.Выполненная ранее конструкция из поликарбоната позволяет не только правильно рассчитать необходимое количество материалов при строительстве, но и предотвратить возникновение возможных деформаций в процессе эксплуатации.
При проектировании основания и надземной части конструкции навеса необходимо в первую очередь измерить параметры площадки и на основании этого произвести расчет каркаса с учетом продольных и поперечных шагов
При разработке проекта также следует учитывать климатические особенности местности и нагрузки, создаваемые внешними факторами.
Для монтажа листов поликарбоната толщиной менее 8 мм достаточно шага 600-700 мм. При устройстве более тяжелых панелей размер продольных ступеней составляет 700 мм, а поперечных – до 1 метра.
Этап №2 — возведение площадки под навес
Участок для обустройства сарая размечают колышками и выравнивают. По периметру площадки на расстоянии 1-1,5 метра с помощью бура выкапываются ямы для установки опорных стоек, в качестве которых чаще всего используются деревянные балки или металлические столбы.
Опоры заглубляют непосредственно в землю на 50-150 см, выравнивают с помощью строительного уровня и бетонируют, либо закрепляют на специально вкопанных закладных деталях по тому же принципу
При использовании деревянных балок в качестве опорных стоек нижнюю часть стоек обрабатывают битумом или любым защитным составом, препятствующим гниению древесины.
Выждав пару дней, пока опоры осядут и бетон наберет достаточную прочность, со всей территории размеченного участка снимается 15-20 см слой грунта.
Дно ямы засыпают песчаной или щебеночной «подушкой» и утрамбовывают.
На данном этапе строительства целесообразно предусмотреть устройство канавок и размещение дренажных труб для отвода дождевой воды.
В качестве финишного покрытия можно использовать:
- бетонная стяжка;
- плитка тротуарная;
- газонная решетка.
Для укладки данного покрытия по периметру площадки устанавливается опалубка.Дно котлована, покрытое гравийной «подушкой», заливают бетоном толщиной 5 см, поверх которого сразу же укладывают сетку из арматуры и повторно заливают таким же слоем бетона. Опалубку снимают через 2-3 дня, когда бетон затвердеет. Сама площадка, залитая бетоном, должна простоять не менее 2-3 недель: за этот период бетон наберет необходимую прочность и естественным образом избавится от лишней влаги.
Бетонная стяжка хорошо подходит для ровных участков, где грунт не подвержен подвижкам
Тротуарная плитка больше подходит для «плавающих» и пучинистых грунтов.
В отличие от бетонной стяжки тротуарная плитка не образует монолитного слоя, что позволяет земле «дышать»
Плитку укладывают непосредственно на песчаную «подушку», подбивая элементы резиновой киянкой, что не повреждает поверхность покрытия. В качестве каркаса лучше использовать тумбу, которая не позволит покрытию расползаться за пределы участка. Выложив плитку, поверхность площадки поливают водой. В качестве покрытия также можно использовать натуральный камень, клинкерный кирпич или брусчатку.
Любители натуральных материалов могут выбрать газонную решетку, через ячейки которой прорастает трава
Полимерный материал, служащий основой решетки, обеспечит дренаж и защитит газон от вытаптывания, сохраняя привлекательный внешний вид в течение всего сезона.
Этап №3 — установка рамы
Вертикальные опорные стойки крепятся к закладным деталям. При сооружении каркаса из металлических столбов верхнюю обвязку по периметру и вертикальным стойкам конструкции выполняют с помощью электросварки.
После этого с помощью вертикальных распорок поперечные элементы каркаса крепятся к несущим балкам.
Чаще всего поперечным элементам придают арочно-купольные, односкатные и двускатные формы. Помимо презентабельного внешнего вида, арочные конструкции препятствуют скоплению снега, грязи и опавших листьев
Все сварные швы рамы зачищены, загрунтованы и окрашены.
Этап №4 — укладка листов поликарбоната
От качества монтажа поликарбонатного навеса напрямую зависит надежность и долговечность здания.
Для монтажа поликарбонатных панелей вам потребуются инструменты:
- строительный нож; Циркуляционная пила
- ; дрель
- ; отвертка
- .
Листы толщиной до 8 мм можно резать строительным ножом, а более толстые панели – циркулярной пилой с дисками с мелкими неразделенными зубьями. Все работы по раскрою листов следует проводить только на твердой и ровной поверхности.
Раскрой листов должен производиться с учетом ориентации воздушных каналов.
Они должны соответствовать направлению изгиба или уклона
Внешняя сторона панели, защищающая от УФ-излучения, покрыта специальной транспортировочной пленкой, на которую производитель наносит изображения с инструкцией по установке. Все работы по резке и сверлению отверстий можно проводить, не снимая защитную пленку, снимая ее с поверхности панелей только после установки навеса.
Листы поликарбонатаКонсультация. Чтобы согнуть пластиковую панель дугой, нужно по линии швеллеров прикрепить к ней профиль, в котором сделать небольшие надрезы и согнуть, придав нужную форму.
укладываются на каркас и фиксируются саморезами и термошайбами диаметром 30 мм.
Такие термошайбы, имеющие силиконовую основу, способны обеспечить отличную герметизацию швов.
Отверстия для крепления, диаметр которых должен быть на 2-3 мм больше размера саморезов и термошайб, должны располагаться между ребрами жесткости на расстоянии 30 см друг от друга. При креплении листов к каркасу главное не перетянуть, чтобы не сломать края отверстий в пластиковой панели.Сами листы скрепляются между собой с помощью Н-образных профилей, под которые края панелей заводят на 20 мм, оставляя небольшие зазоры.
При соединении листов поликарбоната между собой необходимо соблюдать правило устройства компрессионных швов: оставлять зазоры 3-5 мм для возможности смещения листов при перепадах температур.
Края и открытые торцы поликарбонатных панелей покрываются специальными накладками, алюминиевыми или перфорированными лентами с микрофильтрами, а затем проклеиваются герметиком
Такая обработка предотвратит проникновение мусора, пыли и мелких насекомых в пустые полости панелей, а также предотвратит скопление конденсата.
Навес готов. Уход за конструкцией заключается только в своевременной очистке поверхности обычной водой без применения моющих средств, способных повредить защитный слой поликарбонатных панелей.
Поликарбонатные маркизы Skyon
Прочный . Современный . Доступные маркизы
Skyon — замечательная новая маркиза, столь же уникальная, как и ее название, изготовлена с использованием самых современных 100% «зеленых» полимерных материалов из Германии для создания элегантной и прочной оконной или дверной маркизы.
МаркизыSkyon предназначены для придания эстетической привлекательности и функциональности любому зданию, поскольку их название подразумевает, что наши маркизы пропускают естественный «небесный» свет через прозрачную поверхность, но блокируют 99% вредных ультрафиолетовых лучей. Доступные в различных цветах, чтобы соответствовать декору экстерьера вашего здания, маркизы Skyon — это глоток свежего воздуха по сравнению с другими устаревшими альтернативами, и они необходимы для любого жилого или коммерческого здания, чтобы защитить их окна, двери и витрины от суровых условий. Карибская погода.
Наши навесы имеют гладкий и современный дизайн и экономичны в установке. Их уникальный дизайн также позволяет устанавливать их непрерывно в длинных коридорах или проходах.
Тенты Skyon можно приобрести у Doxa Enterprises (Caribbean) Ltd, расположенной по адресу Caroni Savannah Road, Charlieville, Trinidad, WI, а также у других утвержденных дистрибьюторов.
Станьте авторизованным дилером.
Заинтересованы в распространении нашей продукции Skyon? Кликните сюда, чтобы узнать больше.
Что такое поликарбонат?
Поликарбонат представляет собой синтетическую смолу, в которой полимерные звенья связаны карбонатными группами.Поликарбонаты легко формуются и используются для изготовления легких альтернатив стеклу, таких как велосипедные шлемы, посуда для микроволновой печи и пуленепробиваемые окна. Поликарбонаты прочные, легкие и термостойкие.
Одним из основных преимуществ поликарбоната является его непревзойденная прочность в сочетании с легким весом. В то время как акрил на 17% прочнее стекла, поликарбонат почти не ломается, плюс к этому преимуществу поликарбонат весит всего одну треть веса акрила или одну шестую веса стекла.
Вторым по величине потребителем поликарбонатов в мире является строительная отрасль.
Области применения
Вот несколько универсальных приложений для использования наших маркиз Skyon:
- Коммерческий навесной фасад.
- Домашнее окно/окна.
- Козырьки/двери.
- Витрины магазинов.
- Укрытия для банкоматов.
- Навесы от дождя.
- Навесы от солнца.
- Кондиционеры укрытия.
- Входы в магазин.
- Отделка зданий и т. д.
Испытание на прочность
Размеры
лучший тент — International Info Inc
Стремление к максимальному увеличению коммерческих и жилых площадей было всегда.
Однако получение необходимого вам пространства может означать снос существующих стен и строительство новых.В некоторых случаях вам, возможно, придется приобрести больше земли или перестроить здание, чтобы разместить верхние этажи. Это может быть пугающим подвигом, особенно если у вас нет денег, чтобы увидеть, как пространство вашей мечты превращается в реальность. Избегайте финансовых препятствий, выбирая лучшие навесы Каролины в городе после того, как определите, что вам нужно делать с дополнительным пространством.
Измерение того, что вам нужно
Знайте, что вам нужно, потому что маркизы предназначены для достижения различных архитектурных эффектов.Ручные убирающиеся типы заслуживают похвалы, если вы ищете дополнительное пространство, которое вы можете поставить и демонтировать по своему усмотрению. Отсюда следует, что вы можете выдвинуть тент, чтобы создать тень для послеобеденной игры в покер с семьей и в гостях у друзей, и откинуть тент вечером, чтобы освободить место для парковки пятифутового грузовика.
Выдвижные маркизы также могут быть моторизованы, что позволяет вам тянуть их вперед и назад одним нажатием кнопки.
Алюминиевые композитные конструкции
Долговечность — важный фактор, который следует учитывать при выборе лучших навесов Carolina.Алюминиевый композитный тип — это, например, навес, в который стоит инвестировать, если вы ищете способы получить дополнительное закрытое пространство. Вы можете изогнуть их, чтобы они занимали определенное место, или выбрать тип с открытым краем, если он предназначен для отдельного места на открытом пространстве, такого как джакузи на открытом воздухе, ресторан, парковка или площадка для бильярда. Алюминиевые навесы легкие. Они также бывают разных дизайнов и цветов. Это позволяет вам вносить архитектурные и эстетические изменения в любую часть коммерческого или жилого здания.
Маркизы из поликарбоната
Поддержите стремление к экологически безопасным методам строительства, приняв навесы из поликарбоната в поисках дополнительного пространства.
Навесы изготовлены из твердых отходов, что делает их продуктом некоторых передовых технологий переработки, используемых сегодня в мире. Навесы из прозрачного поликарбоната прочнее стекла. Они могут противостоять различным погодным условиям, граду и подземным толчкам, которые разбивают оконные и дверные стекла, в том числе.Впоследствии поликарбонатные материалы проникают в различные отрасли промышленности, ориентированные на производство продукции.
В двух словах
Помимо способности сбалансировать солнечное освещение таким образом, чтобы контролировать интенсивность света, навесы из поликарбоната легко поддаются архитектурным и природным проектам. Например, можно придумать темы океана, неба или сада. Различные оттенки цветов означают возможность использования определенного тематического цвета.Сад синих и белых цветов может хорошо сочетаться с зелеными или голубыми навесами. Приобретайте навесы в надежных интернет-магазинах или обычных магазинах по номеру:
.
• Получите лучшие навесы Carolina.
• Воспользуйтесь услугами быстрой и надежной доставки.
Вы также получаете надежную поддержку клиентов и послепродажное обслуживание — часть культуры, созданной командой профессионалов, которые понимают искусство расширения или создания пространства с использованием лучших навесов Carolina.…
Узнайте о множестве купольных навесов, которые мы производим
Вы хотите украсить внешний вид своего делового здания, а также предложить множество преимуществ? Здесь, в Sundance Architectural Products, LCC, мы гордимся тем, что можем предложить купольные навесы.Когда дело доходит до лучшей маркизной компании, на которую Орландо может рассчитывать, нам можно доверять. Мы показываем все это.
Получите коммерческие навесы и навесы от Sundance Architectural Products, LLC. С 1984 года мы украшаем здания Америки тканями высочайшего качества и коммерческими металлическими навесами и навесами. Sundance проектирует, проектирует и устанавливает:
- Стандартные тканевые навесы и тканевые навесы
- Стандартные металлические навесы и металлические навесы
- Выдвижные навесы и навесы
- Багамские навесы
- Купольные навесы
- Длинные купольные маркизы
- Выпуклые навесы
- Фронтонные навесы
- Курорт Кабанас
- Выпуклые металлические навесы
- Вогнутые маркизы
Что такое купольные навесы?
Купольная маркиза представляет собой привлекательную скульптурную форму маркизы, разработанную для придания элегантности любой двери или окну.
Купольная маркиза со сварным каркасом является конструктивно самой прочной формой маркизы. Настоящая красота купольной маркизы заключается в ее кривизне как в вертикальной, так и в горизонтальной плоскостях, что придает ей мягкий привлекательный внешний вид. Как и другие дверные маркизы, купольные маркизы обеспечивают защиту от дождя и, как и другие оконные маркизы, защищают от солнца и снижают внутреннюю температуру.
Другие навесы, которые мы продаем
- Стандартный металлический тент
- Маркиза в традиционном стиле.Клиновидная конструкция позволяет ему выступать на расстоянии до 6 футов от здания без колонн. Концы навеса (крылья) закрыты или закрыты для дополнительной защиты от непогоды. Внизу тента по периметру имеется капельница для контроля стока воды. Этот стиль также может быть разработан с изогнутой верхней или передней частью для уникального вида.
- Металлический тент в стиле Багама
- Этот стиль стал очень популярным.
Выглядит так же, как стандартный стиль, но концы (крылья) остаются открытыми.
- Этот стиль стал очень популярным.
- Выпуклая металлическая маркиза
- Этот тип маркизной конструкции имеет завальцованный передний край с плоскими концами (крыльями). Концы можно закрыть или оставить открытыми, как навес в стиле Багама.
- Вогнутый металлический навес
- Тот же стиль дизайна, что и у Convex, за исключением того, что корпус маркизы изогнут внутрь, а не наружу. У него также могут быть открытые или закрытые концы (крылья).
Позвоните в нашу навесную компанию Орландо
Получите ваши индивидуальные купольные навесы вместе с нами! Кроме того, не стесняйтесь обращаться к нам и более подробно ознакомиться с нашим процессом, мы не можем дождаться, чтобы помочь вам с вашим следующим большим архитектурным проектом! Мы являемся единственным специализированным подрядчиком, предлагающим такую обширную линейку наружных архитектурных элементов, которые — спроектированы, спроектированы и установлены, что позволяет вам объединить все элементы в одно соглашение, экономя ваше время и деньги.
Наши металлические навесы и другие услуги являются лучшими в Орландо.
Наши постоянные инвестиции в технологии производства и установки позволили нам расширить наши услуги, чтобы охватить весь спектр продуктов, которые вы можете объединить в один контракт, иметь дело с одним субподрядчиком и одним графиком. Sundance Architectural Products, LLC поможет вам. Позвоните в лучшую навесную компанию Орландо, чтобы получить дополнительную информацию о том, как мы можем помочь вашему бизнесу.
Строительные правила и чертежи навесов из металлопрофиля
Наем строительной бригады из 2-3 человек стоит около 300 рублей в час.Стоимость стройматериалов у подрядчика будет на 20-30% выше, чем в розничной точке, не говоря уже об оптовых складах. О добросовестности работы вообще лучше умолчать. Почему бы тогда не сделать навес из металлопрофиля своими руками и сэкономить деньги и нервы?
Подготовительные земельные работы и подбор материалов
Чтобы процесс строительства прошел успешно и потом ничего не пришлось переделывать, необходимо сразу учесть все нюансы.
Это касается как подбора правильных материалов, уборки территории, так и инженерных работ по расчету предельной нагрузки. Рассмотрим последовательность действий.
Шаг 1 Необходимо выбрать строительную площадку.
Если у вас есть несколько вариантов, где можно построить будущее сооружение, то лучше отдать предпочтение месту с неглубоким залеганием глины, чтобы сэкономить на бетоне. Также следует учитывать угол уклона земли, чтобы ваше сооружение не оказалось в том месте, где собирается вода со всего участка – это доставит вам массу неудобств, для чего бы вы его ни строили .Лучше всего выбрать возвышенность или относительно ровную площадку с возможностью стока воды.
Шаг 2 Выбор материала.
Сразу необходимо рассчитать стоимость будущей конструкции. Если использовать для кровли металлический оцинкованный профиль или окрашенный методом порошкового напыления, то выйдет солидная стоимость. Если просто купить металл и обработать его антикоррозийной защитой, можно сэкономить до 30%.
Размер металлического квадрата для стоек необходимо рассчитывать с учетом нагрузки осадков на 1 м 2 на вашей территории + коэффициент ветровой нагрузки (где-то 3.4% для умеренного климатического пояса). При размере 4х4 метра и уклоне не более 45 0 достаточно будет металлического квадрата размером 40х40 миллиметров . Чем больше расстояние между опорами, тем больше должна быть их толщина.
Шаг 3 Освобождение территории для действий.
Пол навеса будет забетонирован, поэтому необходимо снять слой земли около 10 сантиметров от места его развертывания, заполнить его наполовину песком, немного щебня и оставить около 5 сантиметров для бетонной стяжки.Этого будет достаточно для автомобиля массой 1200-1800 кг. Если предполагается нахождение в навесе увесистых предметов, лучше сделать стяжку 9-12 сантиметров. По ходу зачистки убираем из земли все корни, крупные камни.
Шаг 4 Строим коммуникации.
Перед тем, как построить навес из профнастила своими руками, необходимо продумать его последующую эксплуатацию.
Первым делом нужно сделать отливы в грунте, рассчитать их расположение и другие детали.В некоторых районах необходимо учитывать наличие электросети, водопровода, газификации (в зависимости от цели, для которой строится данное сооружение).
Теперь, когда у нас на руках уже есть «генеральный план развития», можно приступать непосредственно к строительству. Лучше сразу все проверить, так как любая переделка обойдется вам дорого или займет много времени.
Устанавливаем опоры и обрешетку
Изготовление несущей конструкции самый ответственный процесс, так как от правильности всех действий напрямую зависит долговечность конструкции.Неправильно собранный каркас может просто провалиться зимой под солидной нагрузкой или иметь неопрятный вид. Чтобы этого не произошло, все нужно делать постепенно, учитывая все возможные ситуации в процессе эксплуатации.
Этап 1 Установка колонн.
Первым делом необходимо просверлить в земле отверстия диаметром 30 сантиметров — они будут предназначены для последующего бетонирования металлических опор. Далее вставляем в них опору, только осторожно, чтобы не насыпать много земли на подошву ямы – бетон потом может провиснуть. После того, как вы нальете 50% раствора в яму, нужно взять отвес, все отмерить и подогнать подставку влево/вправо … Точно такую же операцию провести с тремя оставшимися опорами, а затем выровняйте их по высоте.
Шаг 2 Делаем обвязку.
Можно сделать на самом верху — это традиционный метод строительства, а можно попробовать неординарные способы усиления конструкции. Например, сварить обвязку крест-накрест (соединяются верх одной опоры и низ другой), сеткой, а то и вовсе сделать двойную – вверху и внизу.
Этап 3 Токарная обработка.
Если у вас прямая скатная крыша — нечего себя морочить и придумывать «хитрые» конструкции. Просто установите металлические балки через каждые 80 сантиметров, на них будет прикручен профилированный металлический лист. С двускатной крышей немного сложнее: делаем прямую балку и конек, под коньком должна быть перпендикулярная прямой балке арматура.
Достаточно одного выигрыша. Самый сложный вариант – двойная арка. Здесь проще будет купить готовые гнутые элементы, а между этими арочными квадратами потом сделать Г-образные усиления через каждые 40-50 сантиметров.Если навес шириной более 4 метров, нужно установить прямое дополнительное армирование.
Навесы своими руками из профнастила обойдутся примерно в 7000 рублей, если покупать металл по среднерыночной цене. Процесс установки займет не более 1 дня, а выполнить его сможет только 1 рабочий (нужно немного уметь пользоваться сварочным аппаратом и начальные навыки работы со шлифовальным инструментом).
Подготовка крыши
Это самый ответственный процесс, так как от качества сборки зависит внешний вид всей конструкции.Крепить будем на болтовое соединение — так намного проще. Для предотвращения протекания кровли, а также коррозии болтов и металлического профлиста лучше использовать пластиковые или резиновые шайбы, которые надеваются непосредственно на колпак и могут защитить отверстие от попадания влаги в зимнее время.
Рассмотрим подробнее пошаговую инструкцию по монтажу кровли.
В загородном доме не обойтись без различных навесов, которые идеально подходят для отдыха, хозяйственных нужд или стоянки автомобиля.При использовании металлического профиля, обладающего высокой прочностью и долговечностью, конструкция прослужит не один десяток лет. Но прежде чем использовать профнастил для навеса, необходимо ознакомиться с его характеристиками.
Применение металлического профиля
Металлопрофиль хорошо подходит для строительства навесов как хозяйственного, так и рекреационного назначения. Рекреационные используются в качестве защиты от солнца и ветра над бассейнами, детскими площадками.
Хозяйственный навес возводится в месте устроения летней кухни, хранения хозяйственного инвентаря или на стоянке автомобиля.Конструкция навеса может быть отдельно стоящей или являться продолжением дома. В первом случае навес возводится на отдельные опоры, а во втором одной или двумя сторонами опирается на стену дома.
Навес сарая
Самый простой в установке – односкатный навес. При его возведении один ряд опор располагается ниже второго, из-за чего лист металлопрофиля монтируется под углом. Благодаря такой конструкции крыши снег беспрепятственно стекает вниз.
Существуют и другие виды металлопрофильных конструкций: двускатные, арочные.В первом случае будет сложнее выполнить каркас и подобрать больше листов металлопрофиля для перекрытия крыши. Двускатный навес часто используют для защиты большой площади от ветра и дождя. Он более устойчив к неблагоприятным погодным условиям.
Чтобы сделать арочный навес, вам нужно будет воспользоваться услугами профессионалов. Сделать арочную конструкцию самостоятельно достаточно сложно. Поэтому часто устанавливают односкатные навесы.
Профнастил в качестве кровельного материала часто выбирают из-за его преимуществ:
- Экологичность.
- Долголетие.
- устойчивость к УФ-излучению.
- Устойчивость к низким температурам.

- Долголетие.
- Сила.
- Приемлемая стоимость.
- Простота ухода.
- Пожарная безопасность.
Помимо всех достоинств, профнастил легко собирается своими руками. Соорудить конструкцию можно без посторонней помощи, но при условии, что навес небольшой. Навес из металлических профилей может преобразить экстерьер дома, если работа по его монтажу проведена грамотно.
Большинство производителей предлагают готовый комплект для сборки навеса. Достаточно разобраться в готовых чертежах и собрать по ним каркас. Но такой вариант обойдется дороже, чем сборка каркаса из отдельных профильных труб. В случае последнего варианта придется потратить время на подбор и подрезку опор.
Чертеж навеса
Для того чтобы сделать навес из металлопрофиля своими руками, следует выполнить чертеж. Он составляется исходя из таких габаритов конструкции: ширина, длина, высота.Необходимо решить, какая сторона будет выше, а какая ниже. Если конструкция опирается на стену здания, то опорная сторона будет выше.
А от него листы металлопрофиля будут крепиться под углом к стойкам.
- Количество стоек.
- Количество лагов.
- Структура фермы.
- Количество листов профнастила.
Для этого необходимо на листе бумаги нарисовать будущую конструкцию, исходя из которой будет проще рассчитать количество материалов.
Дизайн
Навес из металлического профиля имеет следующую конструкцию:
- Устанавливаются металлические опорные стойки.
- Стойки каждого ряда связаны трубами (балками) прямоугольного сечения.
- Для придания прочности конструкции между обвязочной трубой и стойкой устанавливаются укосины – трубы прямоугольной формы.
- На столбы устанавливается треугольная стропильная конструкция.
- Лаги монтируются поперек ферм, которые имеют форму прямоугольных труб. На лаги монтируются листы металлического профиля
- .
Все элементы скреплены болтами.
Необходимые инструменты и материалы
Из материалов для работы вам понадобится:
- Профнастил (используются марки НС35 или НС44).
- Трубы стальные круглые (для опор).
- Трубы прямоугольной формы (для каркаса).
- Бетон.
- Песок.
- Крепеж (винты и болты).
- Грунтовка.
- Краситель.
Для выполнения работ вам потребуется приобрести следующие инструменты:
- Рулетка.
- Карандаш.
- Строительный уровень.
- Дрель.
- Отвертка.
- Молоток.
- Болгарский.
- Гаечные ключи.
- Щетка.
Все материалы лучше приобретать качественные, благодаря чему будут обеспечены надежные крепления. Это влияет не только на прочность изделия, но и на внешний вид навеса.После этого можно приступать к установке навеса.
Навес к дому своими руками из металлопрофиля. Пошаговая инструкция
Когда все материалы готовы к работе, можно приступать к установке навеса.
Технология сборки состоит из нескольких этапов:
- Препараты.
- Рама в сборе.
- Перекрытия крыш.
- Проверка прочности конструкции.
Перед началом установки необходимо провести подготовительные работы.
Подготовительные работы
На начальном этапе следует подготовить место под строительство. Для этого территория очищается от мусора и растительности. Участок необходимо выровнять и уплотнить. Затем делается разметка: с помощью рулетки делаются отметки расположения столбов. Места следует отметить колышками, между которыми натянуть веревку. Затем выкапываются ямы глубиной 1 м (для крупной конструкции – 1,5 м).
Для определения глубины ям нужно ориентироваться не только на вес конструкции, но и на глубину промерзания грунта.
Следующий этап подготовки – резка трубы. Если в качестве опор используются круглые трубы, то диаметр должен быть не менее 80 мм. Оптимальная длина 3000 мм. Также необходимо подготовить отрезки труб диаметром 83 мм.
Отрезанные части труб 83 мм укладываются в подготовленные отверстия. В них вставляются трубы 80 мм. Необходимо обратить внимание на то, что опора не должна быть видна из обрезанной трубы. Затем опору с отрезанной трубой необходимо прикрутить болтами.Готовую конструкцию нужно вставить в котлован, засыпать песком и залить бетоном. Оставьте смесь сохнуть на 1 неделю.
Установка рамы
Когда бетонная смесь высохнет, можно приступать к сборке каркаса. Для этого каждый ряд столбов обвязывается профильными трубами. Эти балки скреплены болтами. Ровность укладки необходимо постоянно проверять строительным уровнем. Если столбы разного размера, то их следует отпилить, а затем продолжить работу.
Тогда следует увеличить прочность конструкции. Для этого устанавливаются укосины – металлические профили, соединяющие опорные стойки и балки.
Их необходимо монтировать под углом 45 0 .
Далее начинается этап установки несущей фермы. Монтируется на балки.
Такая конструкция укрепит навес, благодаря чему он выдержит большую нагрузку.
Ферма представляет собой треугольник, в центре которого в зигзагообразном направлении установлены профили.Чтобы сделать ферму правильно, нужно выполнить ее по чертежам. Фермы устанавливаются через каждый метр.
Поверх фермы перпендикулярно крепятся лаги (прямоугольные трубы). Все элементы скреплены болтами. После сборки конструкции необходимо проверить прочность всех соединений. При необходимости должна быть обеспечена более надежная защита.
Готовую конструкцию необходимо покрыть слоем грунтовки, а затем покрасить. Это продлит срок его службы.Когда краска полностью высохнет, можно устанавливать листы металлического профиля. Установка начинается снизу вверх.
Необходимо следить, чтобы площадь навеса крыши превышала площадь площадки между опорами.
Крепить листы нужно саморезами. На один лист необходимо выполнить не менее 8 креплений. Первый ряд листов металлопрофиля укладывается внахлест.
Второй ряд устанавливается встык к первому ряду. Но все листы второго ряда располагаются внахлест относительно друг друга.
Чтобы дизайн был качественным, необходимо придерживаться советов профессионалов:
- Определить глубину промерзания грунта, чтобы вырыть яму необходимой глубины. В противном случае со временем конструкция может наклониться.
- Чтобы сделать крышу наклонной, угол нужно отрегулировать разницей длин противоположных опор.
- Во избежание неровностей грунт следует тщательно разровнять и утрамбовать.
- Используйте высококачественные крепежные детали.Саморезы необходимо использовать с резиновыми прокладками, иначе на материале могут образоваться повреждения.
- Все металлические элементы должны быть загрунтованы. Это защитит конструкцию от коррозии.
- Перекрывайте листы.
- Металлический профиль не нужно покрывать защитным слоем. Материал покрыт специальной краской, устойчивой к неблагоприятным погодным условиям.

Ознакомиться с установкой металлопрофиля можно в этом видео.Предоставлены рекомендации от монтажников.
Если выполнить монтаж конструкции в соответствии со всеми требованиями, то она долгие годы будет радовать глаз своего владельца. Металлопрофиль в качестве кровельного материала – оптимальный вариант, ведь он отличается не только долговечностью, но и хорошим внешним видом. Не забывайте, что при сооружении навеса из металлопрофиля рекомендуется использовать качественные материалы.
Материал вышлем Вам по электронной почте
Навес – важная часть экстерьера загородного дома.Он предназначен для защиты части двора от осадков и ультрафиолетовых лучей, а также выполняет декоративную функцию. Небольшую площадку, закрытую сверху материалом, составляют навесы, пристроенные к дому. Фото таких конструкций можно увидеть в этом обзоре. При этом опоры конструкции доводятся до необходимой высоты. Крепление к основной конструкции предполагает крепление одной стороны конструкции к стене дома.
Шарнирная конструкция создает прекрасную зону отдыха на свежем воздухе.
Навесы, прикрепленные к дому, можно сделать своими руками.На фото показаны основные этапы монтажа. Каркас конструкции чаще всего делают из профилированной трубы или бруса. Такая конструкция примыкает к стене и принимает на себя нагрузку от скопившегося на крыше снега.
Крыша обычно покрыта гофрированным листом, шифером или оцинкованным материалом. Металл для каркасной конструкции обладает пластичностью и прочностью. Подходит для разных стилей оформления. Такие конструкции можно возводить своими руками.
Каркасная система из дерева прекрасно сочетается с другими материалами.Дерево подходит для большинства архитектурных решений. Этот материал перед использованием следует обработать защитными средствами. Все большей популярностью пользуются навесы из поликарбоната, пристроенные к дому, фото которых можно посмотреть в интернете.
Поликарбонат отличается простотой сборки и разнообразием цветов
Поликарбонат имеет следующие преимущества:
- Пластик долговечен.
Механическое воздействие ему не страшно; - малый вес материала;
- поликарбонат хорошо пропускает свет;
- гибкость полотна.
Полезная информация! Приобретая конструктор для самостоятельной сборки, необходимо проверить целостность и прочность всех соединений.Навесы пристроенные к дому: фото и особенности конструкции
Навесы, пристроенные к дому, как показано на фото, могут быть двух видов. Это консольные модели и навесы на опорах. Консольный вариант может быть любой длины, но его ширина не должна быть больше двух метров.Вспомогательные конструкции могут использоваться для различных целей.
Навесы могут иметь различное назначение:
- тенты для защиты автомобиля;
- различные навесы: со стойками, выдвижные или корзинчатые.
Статья по теме:
Особенности деревянных навесов пристроенных к дому: фото и дизайнерские решения Часто домовладельцы выбирают деревянные навесы.
Такие конструкции имеют отличный набор характеристик:
- отличаются простотой конструкции;
- выдерживают длительное пребывание на открытом воздухе, особенно при правильной обработке;
- характеризуется безопасностью для здоровья человека;
- имеют доступную цену.
Полезная информация! Для комфортного использования навеса стоит позаботиться о светопроводимости и установке осветительных приборов.Варианты навесов пристроенных к дому из профнастила: фото и особенности конструкции
Тент из профнастила может быть выполнен в различных конфигурациях.Из профнастила создают односкатные, двускатные и арочные конструкции. Кроме того, конструкция из этого материала имеет следующие особенности:
- простота изготовления;
- экономия денег;
- длительный срок службы.
Важно! Навес из профнастила монтируется только оцинкованными саморезами, имеющими уплотнительную резинку.Создание проекта
При выборе проекта строительства стоит определиться со следующими параметрами:
- размеры и назначение конструкции;
- размер участка;
- снеговые и ветровые нагрузки;
- высота снежного покрова и ожидаемое годовое количество осадков;
- конструктивные особенности основной конструкции.
Перед монтажными работами необходимо выполнить чертеж. Исходя из размеров строения, определяется необходимое количество материала.
Полезная информация! При создании навеса для автомобиля стоит учитывать проезд автомобиля с грузом.Подготовительные работы
Перед созданием планируемых навесов, пристроенных к дому, фото которых можно посмотреть на сайте, необходимо провести подготовительные работы.Для этого размечают подходящий участок, и на нем выкорчевывают деревья. Чистый участок выравнивается. При этом насыпается песок и щебень.
Высверливаются углубления под опоры навесов. И на этом этапе стоит подумать о прокладке кабеля для источников освещения. Выбирается определенный шаг размещения опор. Это зависит от тяжести кровли и каркасной части.
В подготовленные котлованы опускают стойки, которые заливают бетонной смесью.Столбы выравниваются.
Важная информация! Если грунтовые воды расположены близко, то торцы столбов необходимо дополнительно гидроизолировать. Металлические опоры предварительно обрабатываются грунтовкой.Как сделать навес из поликарбоната пристроенный к дому: фото и этапы монтажа
Через 12-15 дней после полного застывания бетона можно приступать к сборке конструкции. На стену крепятся кронштейны, а затем сверху поперечная балка.
Изготовление обрешетки Выполняется верхняя обвязка. Торцевые части стоек соединяются посредством поперечной балки и друг с другом. В этом случае используются параллельно уложенные профили. Металлическая каркасная система сваривается, а деревянная стягивается стальными уголками.
Места сварки зачищены, загрунтованы и окрашены. Стропила монтируются поперечными частями с шагом 600 мм. К несущей балке конструкция крепится с помощью стальных уголков.Обрешетка укладывается поперек стропил и крепится саморезами.
Установка на крышеКровельные листы нарезаются по размеру. Затем они крепятся к обрешетке. Предварительно в поликарбонате делаются отверстия под саморезы.
Для облегчения стока воды ячейки должны быть направлены вниз. При работе с пластиком не забывайте оставлять зазоры между ними. Размеры отверстий следует делать с запасом 2-3 мм.Есть некоторые особенности монтажа крыш из других материалов.
В качестве балок можно использовать деревянные балки. Со временем в материале могут появиться трещины, что снизит жесткость конструкции. После монтажа балок устанавливаются поперечные доски, а затем крепится металлочерепица.
Монтаж этого материала производится с нижних листов. Следует учитывать, что должен быть нахлест верхних листов на нижние.
Сараи с металлическим каркасом можно встретить как во дворах частных домов, так и в общественных местах.Это крытые автостоянки, навесы для крыльца и балкона, навесы для мангалов, мангалов, дрова и многое другое.
В этой статье мы расскажем, почему данные виды конструкций так популярны и где их чаще всего используют. Также вы узнаете, как рассчитать и построить навес из металла своими руками.
Металлические навесы с поликарбонатным покрытием
Чем меньше будущее здание, тем проще его рассчитать.Исключение составляют навесы площадью 15 м 2 – здесь проект навеса из металлоконструкций лучше доверить профессионалам.
Преимущества металлических навесов
Неслучайно металл так популярен как материал для изготовления каркасов для навесов из поликарбоната. Важнейшее его преимущество – долговечность.
При должном качестве монтажа и обслуживании в процессе эксплуатации такое здание может простоять несколько десятков лет. Весь уход заключается в обработке антикоррозийными составами или красками, их содержащими.При появлении пятен ржавчины достаточно произвести точечную очистку пораженных участков и обработать их специальными препаратами.
Навесы из металлопрофиля: фото конструкции, пристроенной к дому
Также следует отметить широкий выбор металлопрофиля: разная толщина стенок, геометрия и диаметр сечения. Трубы также различаются по толщине металла и диаметру. Благодаря этому вы всегда сможете подобрать предмет, соответствующий назначению и габаритам будущего строения.Например, для небольшого стального навеса над крыльцом понадобится прямоугольный профиль диаметром 15 мм и толщиной стенки 1 мм; опоры навеса для автостоянок возводят из труб или профиля диаметром 40 – 50 мм, с толщиной стенки 2 мм и т. д.
Поликарбонатные навесы из профильной трубы своими руками: фото каскадной крыши над крыльцом
Примечание: нельзя забывать и об эстетической стороне вопроса.
Металл позволяет строить красивые кованые навесы.Даже если сделать их без специального оборудования и навыков невозможно, обычно укрытия такого типа заказывают в мастерских, специализирующихся на художественной ковке.Виды материалов
Навесы изготавливаются из нержавеющей стали, как было сказано выше, из металлического профиля, металлической трубы и из кованого металла. Первый вариант является наиболее распространенным, так как представлен в широком ассортименте в магазинах. Кроме того, квадратные и прямоугольные профили одинаково удобно монтируются как на саморезы, так и при помощи сварки.Для мелких деталей или небольших навесов хорошо подойдет уголок разного размера.
Как сделать навес своими руками из металла: в видео описана сборка навеса из стальной трубы.
Реже металлические навесы из труб. В принципе, их ассортимент в магазинах тоже широк, как по диаметру, так и по толщине стенки. Но в монтаже они немного сложнее, с ними сложнее создать прямые углы.
Хотя есть и плюсы – несложно купить с рук старые трубы отопления, из которых можно собрать бюджетную постройку.Например, вот так можно сделать навес из профильной трубы своими руками для дров или дачного душа. Выше упоминался кованый металл.
Различные виды профильных труб
Какие маркизы изготавливаются из металла?
Такие укрытия можно использовать для разных целей. Например, очень часто навесы для машины своими руками изготавливают из металла. Это может быть как небольшая крыша над одиночной парковкой или бассейном, так и огромный навес площадью более 30 м 2 .Все отличия будут заключаться в конструкции и технических характеристиках используемого материала.
Очень хорошо делать металлические навесы над крыльцом или балконом из тонкого профиля или ковки. В первом случае мы получаем прочный, визуально легкий каркас, который несложно собрать своими руками. Ковка – это либо просто красивый, ажурный навес, либо целое произведение искусства, выполненное по индивидуальному проекту.
Правда, кованый каркас будет стоить намного дороже, чем профильный.
Кованое покрытие для бассейна
Как рассчитать металлический навес
- Рисуем эскиз с примерными размерами и маркировкой относительно типа используемого профиля.
- Точно замеряем место установки и на основании полученных цифр создаем чертеж навеса из профильной трубы.
- Решаем, какого сечения будут металлические профили или трубы ферм и обрешетки.
- Вносим в чертеж новые данные и уже по ним рассчитываем количество необходимых материалов.
На этом же этапе станет понятно, сколько и какого оборудования потребуется.
Параметры кровельных материалов не учитываем, так как площадь кровли будет небольшой.В расчет фермы из профильной трубы для навеса не забудьте включить необходимое количество диагональных сеток. Если это кованая металлическая конструкция, то делаем только ее эскиз с нужными размерами. Все остальное мастер сделает за вас.
Чертеж кованого козырька
Большие конструкции, такие как навесы для автомобилей или примыкающие к ним галереи, требуют более пристального внимания. Помимо выполнения вышеперечисленных действий, здесь необходимо правильно определить форму каркаса крыши из профиля.Самый распространенный вариант – арочная конструкция. Он хорошо противостоит снеговым и ветровым нагрузкам, не вызовет особых проблем при монтаже.
Примечание: в районах с сильными ветрами лучше отдать предпочтение двускатным крышам. Скаты рамы будут ориентированы к земле под большим углом, а значит, меньше риск их повреждения ветром.
Кроме того, дождь будет менее заметен внутри здания.Проектируем навес из металлопрофиля: чертежи можно сделать в специальных программах, а потом распечатать
Самостоятельное строительство металлического навеса из поликарбоната над зоной отдыха
Работы по устройству навеса к дому из металлопрофиля своими руками потребуют определенных физических усилий, но вы с этим справитесь довольно быстро.Самое главное – ответственно подходить к делу.
Заливка фундамента и установка несущих опор
Фундамент под навесы из металлического профиля делается столбчатым. Ямы выкапывают ручным или механическим буром, на глубину 50 см. Армирование не делается, раствор замешивается из 3 частей песка и 1 части цемента. На застывание фундамента уйдет три дня, после чего можно приступать к дальнейшим работам.
К нижней части опорных столбов привариваются «пятки», — закладные, за счет которых вся конструкция будет крепиться к фундаменту.
Просверливаем отверстия в закладных по углам и крепим столбы анкерами к бетону. Выполняем эту работу, опираясь на строительный уровень.
Делаем навес из металлопрофиля своими руками: фото
Сборка крыши навеса
Ответ на вопрос, как сварить ферму навеса, достаточно прост. Делают это из боковых профилей и диагональных сеток. Обычно первые имеют сечение на 10 мм больше вторых, но может быть и таким же.Начинаем сращивать по краям, затем продолжаем к центру:
- Приманка.
- Проверка уровнем и при необходимости выпрямление кувалдой.
- Полная сварка элементов.
Обычно боковые и стропильные фермы собираются отдельно, затем устанавливаются по очереди на опоры: сначала боковые, а на них стропила. Однако при наличии грузоподъемного оборудования весь каркас крыши можно собрать на земле, как показано на фото ниже.
Строим навес из металла: фото собранного каркаса крыши
Поднимаем фермы или готовый каркас из профиля на опоры — здесь нужно как минимум две пары рабочих рук.
Затем стандартные шаги: точечная сварка, проверка уровня, а затем непрерывная сварка. После того, как вся каркасная конструкция собрана, места сварки зачищаем от окалины и обрабатываем антикоррозийным составом. Если металлический профиль не имеет защитного покрытия по всей поверхности, наносим его самостоятельно.К этому этапу нужно отнестись очень внимательно, так как от него зависит продолжительность эксплуатации навеса.
Навесы из металлопрофиля: на фото показан процесс установки стропильных ферм на опоры
Монтаж поликарбоната
Листы поликарбоната укладываются на каркас как есть, без снятия защитной пленки. С помощью дрели на них сверлятся отверстия для входа креплений – 4 см от края. Мы используем не обычные метизы по металлу, а специальные термошайбы, с уплотнительными кольцами и заглушками.На отверстие надеваем термошайбу, затягиваем ее саморезом и закрываем ее заглушкой. Вход крепежа должен быть строго перпендикулярен поверхности поликарбоната. Закручиваем туго, но не перетягиваем, во избежание повреждения поверхности материала.
На рисунке показано, как крепить поликарбонат к металлическому каркасу навеса: используем специальные термошайбы
Соединение листов поликарбоната делаем с помощью разъемного профиля.Его нижняя часть прикручивается к обрешетке каркаса еще до укладки кровельного материала. Крышка «крепится» с помощью зубчатого замка, «ножки» которого расположены на обеих частях профиля. На рисунке видно, что крышка снабжена резиновыми прокладками, обеспечивающими дополнительную изоляцию стыков.
Разрезной профиль
И остается последний шаг — закрываем боковые срезы листов поликарбоната перфолентой, а затем торцевым профилем.Это защитит кровельные воздуховоды от проникновения влаги и грязи. На этом строительство металлического навеса завершено, можно приступать к отделке площадки под ним.
Обработка кромок торцевым профилем
-
Сараи относятся к разряду простейших сооружений, которые возводят на загородном или дачном участке.
Они используются для самых разных целей: как стоянка, складское помещение и многие другие варианты.Конструктивно навес предельно прост.это
- каркас, основным элементом которого являются навесные фермы, отвечающие за устойчивость и прочность конструкции;
- покрытие . Изготавливается из шифера, поликарбоната, стекла или профлиста;
- дополнительных элементов. Как правило, это элементы декора, которые размещаются внутри конструкции.
Конструкция довольно простая, к тому же весит немного, поэтому ее можно собрать своими руками прямо на участке.
Однако, чтобы получить практичный правильный навес, в первую очередь нужно обеспечить его прочность и длительную эксплуатацию. Для этого следует знать, как рассчитать ферму для навеса, сделать ее своими руками и сварить или купить готовую.
Металлические фермы для навесов
Данная конструкция состоит из двух ремней. Верхний пояс и нижний пояс соединены раскосами и вертикальными стойками.
Она способна выдерживать значительные нагрузки. Одно такое изделие весом от 50 до 100 кг может заменить в три раза большие металлические балки.При правильном расчете металлическая ферма в, прогибается или не деформируется и не прогибается при воздействии нагрузок.Металлический каркас одновременно испытывает несколько нагрузок, поэтому так важно знать, как рассчитать металлическую ферму, чтобы точно найти точки равновесия. Только так конструкция сможет выдержать даже очень высокие воздействия.
Как выбрать сырье и правильно его приготовить
Создание и самостоятельный монтаж навесов возможен при небольшой конструкции.Фермы для навесов в зависимости от конфигурации поясов могут быть выполнены из профилей или стальных уголков. Для относительно небольших конструкций рекомендуется выбирать профильные трубы.
Это решение имеет ряд преимуществ:
- Несущая способность профильной трубы напрямую связана с ее толщиной. Чаще всего для сборки каркаса используют материал с квадратом сечения 30-50х30-50 мм, а для конструкций небольшого размера подходят трубы меньшего сечения.

- Металлические трубы отличаются большой прочностью и в то же время они весят намного меньше, чем цельный брусок металла.
- Трубы гнутые – качество, необходимое при создании криволинейных конструкций, например, арочных или купольных.
- Цена фермы для навесов относительно небольшая, поэтому купить их не составит труда.
На заметку
Металлический каркас прослужит намного дольше, если его защитить от коррозии: загрунтовать и покрасить.
- На такой металлокаркас можно удобно и достаточно просто уложить практически любую обрешетку и крышу.
Способы соединения профилей
Как можно сварить навес
Среди основных преимуществ профильных труб следует отметить безрамочное соединение. Благодаря этой технологии ферма для пролетов, не превышающих 30 метров, конструктивно проста и относительно недорога. Если его верхний пояс достаточно жесткий, то кровельный материал можно опереть прямо на него.

Безрамочное сварное соединение имеет ряд преимуществ:
- вес изделия значительно снижен. Для сравнения отметим, что клепаные конструкции весят на 20 %, а болтовые — на 25 % больше.
- снижает трудозатраты и производственные затраты.
- стоимость сварки небольшая. Более того, процесс можно автоматизировать, если использовать станки, позволяющие подавать свариваемую проволоку без перерыва.
- полученный шов и присоединяемые детали одинаково прочны.
Из минусов следует отметить необходимость наличия опыта сварки.
На болтах
Болтовое соединение профильных труб встречается не так уж и редко. В основном используется для разборных конструкций.
К основным преимуществам данного типа соединения относятся:
- Простая сборка;
- Нет необходимости в дополнительном оборудовании;
- Возможен демонтаж.

Но в то же время:
- Вес товара увеличивается.
- Требуется дополнительное оборудование.
- Болтовые соединения менее прочны и надежны, чем сварные.
Как рассчитать металлическую ферму для навеса из профильной трубы
Возводимые конструкции должны быть достаточно жесткими и прочными, чтобы выдерживать различные нагрузки, поэтому перед их установкой необходимо произвести расчет фермы из профильной трубы для сарая и составить чертеж.
При расчетах, как правило, прибегают к помощи специализированных программ с учетом требований СНиП («Нагрузки, воздействия», «Металлические конструкции»). Рассчитать металлическую ферму онлайн можно с помощью калькулятора навеса из металлопрофиля. При наличии соответствующих инженерных знаний расчет можно произвести своими руками.
На заметку
Если вы знаете основные параметры конструкции, то можете поискать подходящий готовый проект среди выложенных в интернете.

Проектные работы выполняются на основе следующих исходных:
- Рисунок. Конфигурация каркасных поясов зависит от типа крыши: односкатная или двускатная, четырехскатная или арочная. Самым простым решением можно считать односкатную ферму из профильной трубы.
- Размеры конструкции. Чем больше шаг установленных ферм, тем большую нагрузку они могут выдержать. Важен и угол наклона: чем он больше, тем легче снегу будет таять с крыши.Для расчета потребуются данные о крайних точках ската и их расстоянии друг от друга.
- Размеры элементов рубероида. Они играют решающую роль в определении шага ферм для навеса, скажем. Кстати, это самое популярное покрытие для конструкций, построенных на собственных участках. они легко гнутся, поэтому подходят для устройства криволинейных перекрытий, например, арочных. Все, что имеет значение, это то, как это правильно. рассчитать навес из поликарбоната.
Расчет металлической фермы из профильной трубы для навеса выполняется в определенной последовательности:
- определить размер пролета, соответствующий техническому заданию;
- для расчета высоты конструкции размеры пролета подставляются по представленному чертежу;
- выполнить задачу наклона.
По оптимальной форме крыши сооружения определяют контуры поясов.
На заметку
Максимально возможный шаг ферм для навеса при использовании профильной трубы 175см.
Как сделать ферму из поликарбоната
Первым этапом изготовления своими руками ферм из профильной трубы для навеса является составление подробного плана, на котором должны быть указаны точные размеры каждого элемента. Кроме того, целесообразно подготовить дополнительный чертеж конструктивно сложных деталей.
Как видите, прежде чем делать собственные фермы, нужно хорошо подготовиться.Еще раз отметим, что хотя при выборе формы изделия руководствуются эстетическими соображениями, требуется расчетный путь для определения типа конструкции и количества составляющих элементов. При проверке прочности металлоконструкции обязательно учитывать данные о атмосферных нагрузках в этом районе.
Дуга считается предельно упрощенным вариантом фермы. Это одна профильная труба с круглым или квадратным сечением.

Очевидно, что это не только самое простое решение, но и более дешевое.Тем не менее, арки навеса из поликарбоната имеют определенные недостатки. В частности, это касается их надежности.
арочные маркизы фото
Проанализируем, как распределяется нагрузка в каждом из этих вариантов. Конструкция фермы обеспечивает равномерное распределение нагрузки, то есть сила, действующая на опоры, будет направлена, можно сказать, строго вниз. Это значит, что опорные столбы отлично противостоят сжимающим усилиям, то есть выдерживают дополнительное давление снежного покрова.
Дуги такой жесткостью не обладают и не способны распределять нагрузку. Чтобы компенсировать такого рода воздействие, они начинают разгибаться. Результатом является сила, воздействующая на опоры в верхней части. Если учесть, что он прикреплен к центру и направлен горизонтально, то малейшая ошибка в расчете основания столбов, как минимум, вызовет их необратимую деформацию.
Пример расчета металлической фермы из профильной трубы
Расчет такого продукта предполагает:
- определение точной высоты (H) и длины (L) металлоконструкции.
Последнее значение должно точно соответствовать длине пролета, то есть расстоянию перекрытия конструкции. Что касается высоты, то она зависит от проектируемого угла и особенностей контура.
У треугольных стальных конструкций высота составляет 1/5 или ¼ часть длины, у других типов с прямолинейными поясами, например, параллельными или многоугольными, — 1/8 часть.
- Угол раскосов решетки колеблется в пределах 35–50°. В среднем она составляет 45°.
- Важно определить оптимальное расстояние от одного узла до другого.Как правило, искомый зазор соответствует ширине панели. Для конструкций с пролетом более 30 м необходимо дополнительно рассчитывать подъемную силу здания. В процессе решения задачи можно получить точную нагрузку на металлоконструкцию и правильно подобрать параметры профильных труб.
В качестве примера рассмотрим расчет ферм типового односкатного строения 4х6 м.
В конструкции используется профиль 3 на 3 см, стенки которого 1.
толщиной 2 мм.Нижний пояс изделия имеет длину 3,1 м, а верхний — 3,90 м. Между ними устанавливаются вертикальные стойки из такой же профильной трубы. Самый большой из них имеет высоту 0,60 м. Остальные вырезаются в порядке убывания. Можно ограничиться тремя стойками, разместив их от начала высокого склона.
Секции, которые образуются при этом, усиливают установкой диагональных перемычек. Последние изготавливаются из более тонкого профиля.Например, для этих целей подойдет труба сечением 20 на 20 мм. В месте схождения ремней стойки не нужны. На одном изделии можно ограничиться семью подтяжками.
На 6 м длины навеса используется пять подобных конструкций. Их укладывают с шагом 1,5 м, соединяя дополнительными поперечинами из профиля сечением 20 на 20 мм. Они крепятся к верхнему поясу, расположим их с шагом 0,5 м. Панели из поликарбоната крепятся непосредственно к этим перемычкам.
Расчет арочной фермы
Изготовление арочных ферм также требует точных расчетов.
Это связано с тем, что возлагаемая на них нагрузка будет распределяться равномерно только в том случае, если создаваемые арочные элементы будут иметь идеальную геометрию, то есть правильную форму.
навес с рамной дверью представляет собой новейшую технологию изготовления навесов и навесов. Основной бытовой навес на окно. Используйте для этого дюбели или алюминиевые стержни, которые вы приобрели.Амазонка. ALEKO ABM20X10BROWN36 Моторизованный выдвижной тент для патио с черной рамой 20 x 10 футов (коричневый) 3. $ 259. Наша сфера обслуживания включает средний юг: Garmene Construction с более чем 50-летним опытом работы в отрасли — ваш лучший выбор для профессиональных окон или дверей. услуги по установке навесов, пергол и навесов. Модель № K150707201. Маркиза управляется с вашего смартфона или мобильного устройства и поставляется во многих цветах рамы с порошковым покрытием, чтобы соответствовать отделке вашего дома с более чем 100+ цветами ткани Sunbrella.
Ширина 6 футов прекрасно подходит к окну 5 футов и оконной раме. Удивительные 43.76 м). Навесы купольных дверей; Удлиненные навесы куполообразной формы; Четвертькруглые навесы; Округлые козырьки; Вопросы и Ответы. Установка Каркас должен крепиться к оконной раме, дверной раме или крыльцу и избегать исторических или старинных вещей. В основном, дверные и оконные навесы могут выполнять разные функции в зависимости от того, как вы собираетесь использовать пространство. … – Шаг 3: Наденьте холст на рамку. В этом процессе всего шесть шагов, что делает задачу простой.Наша ткань, окрашенная на 100% акриловым раствором, является самой качественной, самой прочной, водостойкой и устойчивой к плесени тканью на современном рынке. Это самая дешевая холщовая ткань, которую я смог найти. 86. Стационарные металлические навесы рассчитаны на сильные дождевые и снеговые нагрузки. Направляет дождь и снег в стороны, обеспечивая чистоту входа и защищая дверь от дождя. Шаг 1: Рамка. Большинство качественных оправ прослужат долго; это ткань, которую необходимо заменить, поэтому, по крайней мере, когда ткань необходимо заменить, это будет стоить не так дорого, как полная установка.
Навесы обычно представляют собой дугообразно закругленные или вытянутые купольные навесы. 3 из 5 звезд. Оцените долговечность дверной коробки. Также понадобятся пила, молоток, оцинкованные гвозди и саморезы. Тенты из акриловой ткани устойчивы к выцветанию, влаге, плесени и грязи. Добавить в корзину. • 7-дюймовая обшивка будет висеть под рамой. Снизьте температуру в помещении с помощью функциональной маркизы для оконных проемов. Примените одну входную дверь и объедините ее с деревянным навесом в качестве навеса. 19 октября 2015 г. · Навес с деревянным каркасом над дверным проемом, гаражом или окном добавляет эстетичности, особенно в сочетании с перголой с деревянным каркасом.Алюминиевые навесы с А-образной рамой — отличное решение для тех линий крыши, где невозможно установить традиционный навес. Быстрый, экономичный и привлекательный способ решения проблемы Стиль, элегантность, функциональность. Шаг 3: Наденьте холст на рамку. Сравнивать. • От верхней точки крепления на 12 дюймов вниз будет располагаться плечо маркизы.
Прочная рама из нержавеющей стали. Мы даже предлагаем высокочастотную сварку швов (термосварку) для виниловых тентовых покрытий. Примечание. Обязательно установите их внутри оконных и дверных навесов, чтобы добавить красоты, сэкономить деньги и защитить вашу мебель.Наша стационарная (не выдвижная) дверная маркиза предназначена для того, чтобы дверь открывалась наружу, обеспечивая при этом полную защиту от непогоды. Навес для окна двери, навес для окна передней двери размером 40 x 31 дюйм, навес для патио из полого листа поликарбоната, дверной и оконный навес для бытового применения для защиты от дождя и солнца, B372. 00 – 339 долларов США. Выберите вариант Ширина 4 фута – 259 долларов США Ширина 5 футов – 299 долларов США Ширина 6 футов – 339 долларов США. Измерьте навес и отметьте точный центр ширины, затем сделайте то же самое для верхней части двери.Тканевый дверной навес NuImage Awnings защитит ваш вход, добавив немного стиля и ценности вашему дому. 1 шт. Эти навесы, предназначенные для установки на большинство дверей, прослужат долгие годы и сохранят свою красоту.
7 лет гарантии. 5 футов (0. 03 июля 2017 г. · Перед установкой маркизы необходимо проверить, не имеет ли дверная рама каких-либо ограничений. Купольные маркизы со сварной рамой представляют собой конструктивно самую прочную форму маркизы. Изготовлены из долговечных материалов, опорный рычаг из оцинкованной стали с порошковым покрытием и алюминиевые передняя и задняя накладки.Навесы типа A-Frame Навесы A-Frame и Arch Patio A-Frame предназначены для наружных пространств, где традиционные прямые навесы патио не будут работать. Мы также предлагаем услуги по ремонту, перекрытию и замене навесов. Чтобы построить навес с деревянной рамой, вам нужно будет сделать замеры, распилить древесину, построить раму, а затем покрыть ее выбранным вами материалом. Полосатые навесы SVG, Store Svg, Shop Svg, Клипарт навесов, Файлы навесов для Cricut, Файлы навесов для силуэта, Dxf, Png, Eps, Vector.Эти алюминиевые дверные навесы практичны и экономичны. Тент в стиле А-образной рамы. Холщовая ткань Sunbrella.
5 м), сделайте отметку на 2. 11 августа 2009 г. · Шаг 6 – Закрепите навес. 05 апреля 2020 г. · Деревянный навес можно соорудить над дверью или окном, используя фанеру, деревянные столбы толщиной 4 дюйма и шириной 4 дюйма, деревянные секции толщиной 2 дюйма и шириной 4 дюйма, цемент, металлический опорный анкер. и кровельный материал. Наши навесы обеспечивают отличную защиту от солнечных бликов, жары, дождя и ветра.80. 12 августа 2009 г. · Найдите центры для навесов и дверей. Настоящая красота купольной маркизы заключается в ее кривизне как в вертикальной, так и в горизонтальной плоскостях, что придает ей мягкий привлекательный внешний вид. Этот стиль навеса хорошо работает в качестве навесов для входа в дверь, часто добавляя дополнительный зазор, необходимый для открывания дверей. URHOMEPRO 78″ x 39″ Навесы для навесов передних дверей, Современный навес для окон из поликарбоната, Декоратор навесов для патио, Дверные окна от дождя • Минимальная высота монтажа над дверным проемом для навесов шириной 72 дюйма и более составляет .
Луки навеса тротуарного шатра становятся «стропилами» навеса с А-образной рамой. блогспот. У нас есть из чего выбрать, любой фасон, цвет и ткань, которые только можно вообразить. Ткань маркизы застегивается на молнию сверху и имеет вторую молнию, которую можно использовать для крепления к стене, не снимая ткань маркизы. Они натянуты на прочные рамы из алюминия, алюминия с порошковым покрытием или 29 декабря 2020 г. · Ознакомьтесь с предпочтительными проектами навесов своими руками без ущерба для бюджета. (4 207) 2 доллара. Не сильно отстает наличие дома или бизнеса, который выглядит как любой другой дом или бизнес в этом квартале.Мы с гордостью предлагаем более 150 рисунков и цветов тканей Sunbrella. Мы обслуживаем большой Индианаполис, штат Индиана, и прилегающие районы. Дизайн. 5 из 5 звезд. 14 ноября 2019 г. · 2. Хотите ли вы навес для окон, двери, гаража или сарая, все это можно легко сделать с помощью нескольких кусков дерева и некоторых столярных инструментов. Aoxun 13x8FT Патио-тенты Выдвижной ручной наружный тент для дверей, окон, солнцезащитный козырек, водонепроницаемый наружный навес — алюминиевая рама, кривошипная ручка, бежевый.
. Стальная рама с порошковым покрытием. co Aliner Camper Design Вдохновение через Birthdaycakedecor. (32) 44451$. Наша с трудом завоеванная репутация является результатом нашей приверженности качеству изготовления и отличному обслуживанию клиентов. Начните с создания каркаса для навеса. Для дверных навесов используются два разных стиля рамы, и каждый стиль имеет свои сильные стороны в зависимости от требуемой производительности. БЕСПЛАТНАЯ электронная книга «Верни свою жизнь»: https://www. Безопасный сверхпрочный навес, предназначенный для изысканного украшения и защиты входа, дверей и окон.Навесы доступны в различных размерах и стилях. Расположение Маркизы должны быть установлены в верхней части проемов, а их длина должна соответствовать оконному/дверному проему. Например, если ваш тент 5 футов (1. Может быть, мне повезло здесь — вам нужно измерить оконную раму, чтобы убедиться, что есть плоские места для установки тента. Если вы предпочитаете оставить тент на месте, Zipper Полосы необходимы для облегчения соединения стен вместе.
Мы проектируем навесы и навесы для предприятий и домов с 1920 года.Быстрый, экономичный и привлекательный способ решить проблему 16 февраля 2020 г. · Навес своими руками. Для лучшей защиты обеспечьте выступ 12 дюймов. Это позволяет вам запросить индивидуальный тент, если это необходимо. Простая инструкция по установке поможет вам выполнить рамку. Незаметно отметьте навес фломастером или перманентным маркером. Комплект купольной маркизы EasyAwn. 16 ½”, чтобы обеспечить опоры центральной рамы и позволить двери открываться наружу. Шаг 4: Прикрепите холст к раме и установите верхнюю часть…. Маркизы с А-образной рамой идеально подходят для пешеходных дорожек, входов, зон отдыха и графики. Окно и дверь. Объедините его со стальным навесом, который может закрыть входную дверь. Прежде чем купить тот, который подходит для дверного проема вашего мобильного дома, вам необходимо измерить дверную раму, на которой вы хотите закрепить навес. Кроме того, они доступны в широком диапазоне цветов и рисунков.
Прикрепите противоположный конец к передней части дома с помощью водостойкого клея или винта. … – Шаг 2: Материал навеса.Алюминиевые дверные навесы серии 1500 Металлический дверной навес с боковыми сторонами. 5-дюймовая широкая состаренная металлическая арка в винтажном стиле Арочная оконная рама Дверной оконный навес OoLaLaBoutiqueLLC 5 из 5 звезд (43) Навесы NuImage 6 футов. Убедитесь, что ваш навес простирается не менее чем на 6 дюймов в обе стороны от дверного проема. Кроме того, они оснащены прочными прочными тканями и имеют уникальный европейский дизайн May 09, 2018 · Реечные маркизы, называемые бермудскими ставнями, можно прикрепить к верхней части оконной рамы и немного приоткрыть внизу.18 октября 2018 г. · Aliner Awning Best Of Awning Nancyus Aliner Best Camp Stamper Изображения через aspro. Навесы по материалам. Доступна ширина 4 фута, 5 футов, 6 футов. Навес перед входной дверью, блокируя солнечный свет, помогает предотвратить это или необходимость переворачивать мебель. com Маркизы Dome изготавливаются на заказ и имеют более мягкий вид, чем другие более жесткие маркизы.
Дверной навес в коробке представляет собой законченный дверной навес, который легко установить. 9 из 5 звезд. Сделанные на века, наши дверные навесы PYC великолепно сконструированы с оцинкованной рамой с наружным диаметром 3/4 дюйма, чтобы выдерживать порывы ветра до 50 миль в час.Измерьте всю длину навеса, а затем разделите это число на 2, чтобы получить точный центр. Нам также нравится, что дверные навесы добавляют привлекательности бордюру. Привнесите нотку европейского стиля в свой дом с дверным и оконным навесом от Melbourne Awnings and Shade Systems. Используйте карандаш, чтобы отметку можно было стереть позже. 00. Доставка 3+ дня. А-образные рамы — это наш другой популярный стиль навеса для входа, и он выполняет те же функции, что и навес Marquee Canopy, за исключением того, что форма навеса представляет собой прямолинейный шаг, а не изогнутый.Наша рама изготовлена из 100% алюминия и устойчива к ржавчине. Прикрепите дюбель или алюминиевый элемент к краю рамы с помощью винта. Это зависит от качества навеса, который вы получаете, от вашего климата и от того, как часто вы его удлиняете.
Ширина 4 фута, для окон и дверей от 32 до 48 дюймов. Навесы изготавливаются из нескольких материалов, причем металлические навесы являются прочным вариантом с более долговечными акцентами, особенно над окнами и дверями. г) в белом цвете. Навес будет эффектно смотреться с широким проемом. ОКОННЫЕ И ДВЕРНЫЕ НАВЕСЫ В МЕЛЬБУРНЕ.Вы можете улучшить внешний вид своего дома или бизнеса, а также обеспечить защиту от прямых солнечных лучей и сократить расходы на кондиционирование воздуха с помощью оконных маркиз от A. Позвоните в Parasol, вашим экспертам по установке маркиз A-Frame, чтобы получить бесплатную оценку. Каркасы для навесов, крыльца и навесов и сварка. Материал навеса – брезентовая ткань размером 6 на 9 футов. Наша зона обслуживания включает середину юга: 24 октября 2016 г. · Традиционный дверной навес Sunsational шириной 4 фута Palram — Тент Canopia Herald 2230 — 703370 Awntech Сан-Франциско Окно / наклонный навес для входа для низких карнизов — 3 фута С более чем 50-летним опытом В отрасли Garmene Construction — ваш лучший выбор для профессиональных услуг по установке оконных или дверных навесов, пергол и навесов.
18 февраля 2021 г. · Маркизы могут многое предложить для экстерьера дома. Оконные навесы должны закрывать более одного проема. Этот дизайн создает простую, но стильную атмосферу. 99. Во-первых, этот тент над дверью фактически классифицируется как навес благодаря двум большим опорным рычагам, которые обеспечивают расширенную поддержку длинной верхней части корпуса. Помимо простого навеса, Awning Works Inc. ESTATE AWNINGS. Один из наших самых продаваемых навесов для наружных дверей, алюминиевый навес для дверей серии 1500 защищает вас от влаги, когда вы возитесь с ключами, и защищает вашу дверь и раму от непогоды, защищая их от повреждений, вызванных погодными условиями.Ваш тент может прослужить жалкие 5 лет или 15 лет удовольствия. Дверные тентовые навесы. Мы разрабатываем навесы и навесы для предприятий и домов с 1920 года. Наш маркиз CASTLECREEK® придает элегантность бордюру, блокируя солнечные лучи, сохраняя прохладу в вашем доме и экономя ваши деньги, когда приходит счет за электроэнергию.
Больше цветов. Маркизы Aristocrat обладают той же надежностью, которой славится компания Craft-Bilt с момента ее основания в 1946 году. Независимо от того, нужно ли вам защитить свои двери, круглые или прямоугольные окна, арочные или большие входы, каждая маркиза проектируется индивидуально и изготавливается с учетом точных требований. требования ваших индивидуальных потребностей.Где находится тент Draco™ Door Awning Kit. В этих тканевых дверных навесах есть все. Awnings Deck, Porch & Awning Frames & Welding Parasol Awnings проектирует, строит и устанавливает тканевые и металлические навесы и навесы для домов и предприятий. В домах с драматическими линиями крыши и арочными окнами можно использовать эти навесы со сварным каркасом, чтобы улучшить характеристики дома, создавая при этом идеальное место для уединения на свежем воздухе. Материал тента представляет собой холщовую ткань размером 6 на 9 футов. Из чего делают навесы и навесы? Наши навесы и навесы могут быть изготовлены из самых разнообразных привлекательных, атмосферостойких тканей.
Полиэфирная ткань с УФ-обработкой отталкивает грязь и воду, сохраняя свой привлекательный внешний вид на долгие годы. 26.11.2019 · Установить двухэтажную входную дверь из стекла. Кроме того, как сделать тент своими руками? – Шаг 1: Рамка. Это также добавляет некоторую защиту от солнца и экономит энергию. Тент Imperial Marquee с плоскими панелями шириной 8 дюймов. Шаг 2: Материал маркизы. Мы рекомендуем снимать раму маркизы на ночь.Наши экструдированные алюминиевые рамы с бронзовой отделкой никогда не заржавеют и будут гармонично сочетаться с внешним видом вашего дома. Они расставляют акценты на окнах и дверях, защищают пространство от дождя, снега и солнца и обрамляют вход. com 2006 Aliner LX Expedition ПРОДАНО через aliner2006. Он обрамляет и подчеркивает вашу входную дверь, добавляя визуальный интерес и может существенно изменить общий вид вашего дома. Контейнерные, дверные и оконные навесы Все навесы спроектированы таким образом, чтобы ваши входные и оконные зоны оставались сухими и защищенными от непогоды.
Купольные навесы представляют собой привлекательную скульптурную форму навеса, которая предназначена для придания элегантности любой двери или окну. 2. Дизайн А-образной рамы имеет приятную форму, которая подчеркивает пики крыши и другие архитектурные детали вашего дома. Фиксированные навесы, в отличие от выдвижных, более долговечны и лучше подходят для таких областей, как окна или входы. Впереди рассеянный солнечный свет. Добавить в избранное. Parasol Awnings проектирует, строит и устанавливает тканевые и металлические навесы и навесы для домов и предприятий. От 52 долларов.Установите раму насухо и наденьте на нее холст. Размер. Доступен в 5 цветах Sunbrella. Маркизы на окна, двери и крыльцо могут быть как стационарными, так и выдвижными. 7 из 5 звезд. В x 42 дюйма ПРИМЕЧАНИЕ. Мы закончили тем, что удалили А-образные рамы — наш другой популярный стиль навеса для входа, и он выполняет те же функции, что и навес Marquee, за исключением того, что форма навеса представляет собой прямолинейный шаг, а не изогнутый.
Где будет тент 16.02.2020 · Тент своими руками. • Дверные навесы не убираются.Он включает в себя встроенный датчик ветра для закрытия в ветреную погоду и может быть запрограммирован на открытие и закрытие в определенные часы дня или в зависимости от того, выходит ли солнце вообще. Посетите эту страницу для получения дополнительной информации о комплектах дверных навесов. Коммерческие навесы требуют особого внимания, и, создавая сварные конструкции из алюминия, мы помним об этом. Алюминиевый фиксированный навес с дверным навесом серии 1500 (12 дюймов, 21 июня 2021 г. · Для тех, кто хочет защититься от солнца, алюминиевый навес с опорными кронштейнами NuImage Awnings серии 48425 2500 — это то, что нужно.Нарисуйте отметку точно в центре навеса. Все алюминиевые рамы с бронзовым порошковым покрытием и 100% акриловые ткани Sunbrella обеспечивают отличную защиту в течение трех сезонов. Oct 05, 2021 · Дверные навесы Искать ключи под дождем за пределами вашего дома или офиса без дверных навесов — одна из худших вещей в мире.
com/dp/B079HZKJ2LВот как мы построили дешевый тент — 40 долларов! — покрытие 16 футов. Этот набор для навеса своими руками с деревянным каркасом размером 3 фута × 8 футов изготовлен из грубо распиленной древесины класса 1, сертифицированной SFI *, из пихты Дугласа.Базовая цена: 1247 долларов. us Book Of Camper Trailer A Frame In Germany Миа Факрубком через fakrub. Начните с изготовления каркаса. Теперь нужно закрепить навес с внешней стороны. Маркизы Aristocrat — это лучший выбор в Америке благодаря качественному дизайну тентов и тканевым выдвижным тентам, изготовленным исключительно из качественных материалов компанией Craft-Bilt Manufacturing Company. Parasol производит навесы и навесы для окон, дверей, патио, навесов, входов, вывесок, занавесок и нестандартных конструкций. 1.3. … – Шаг 4: Прикрепите холст к раме и установите верхнюю часть. Большой кронштейн для навеса / Кованый металл / Навес для передней двери / Защита от дождя. Нэшвиллский стиль. Каркасный дверной тент
jfj mmj d9m a4k gqm jkq env k3t loq eqz lr3 8oa eu8 mj0 1kz 2i3 qpq juk tk5 obs
.

Также козырек из поликарбоната отлично дополняет фасад дома. Навесы из поликарбоната очень легко установить своими руками, причем они могут быть самого разного размера и формы.
Эти операции удобнее делать на земле. С остальными секциями арки будет проще, их можно сверлить по первой.
/кв.м
16
м


Качественный поликарбонат имеет срок службы до 25 лет.